Close Menu
Safety Screen Filters

10 mm Cartridge Safety Screen Filter

This stainless steel safety screen filter is designed to protect critical fluid control components against rogue contamination. The filter uses a woven wire mesh design that is bonded together using a proprietary process to guarantee high strength and integrity. It is designed for extremely high pressure applications where meeting such pressures could otherwise cause a screen to rupture if it clogged. The filter is designed to slip into a drilled flat bottom hole and should be retained by a secondary means. This last chance filter is available in a range of micron ratings from 40 to 300 microns.

Key Product Facts
  • Mounting Configuration:Cartridge - Customer Retained
  • Lohm Rate:As low as 35 Lohms
  • Micron Rating:40 to 300 microns
  • Part Diameter:9.93 mm
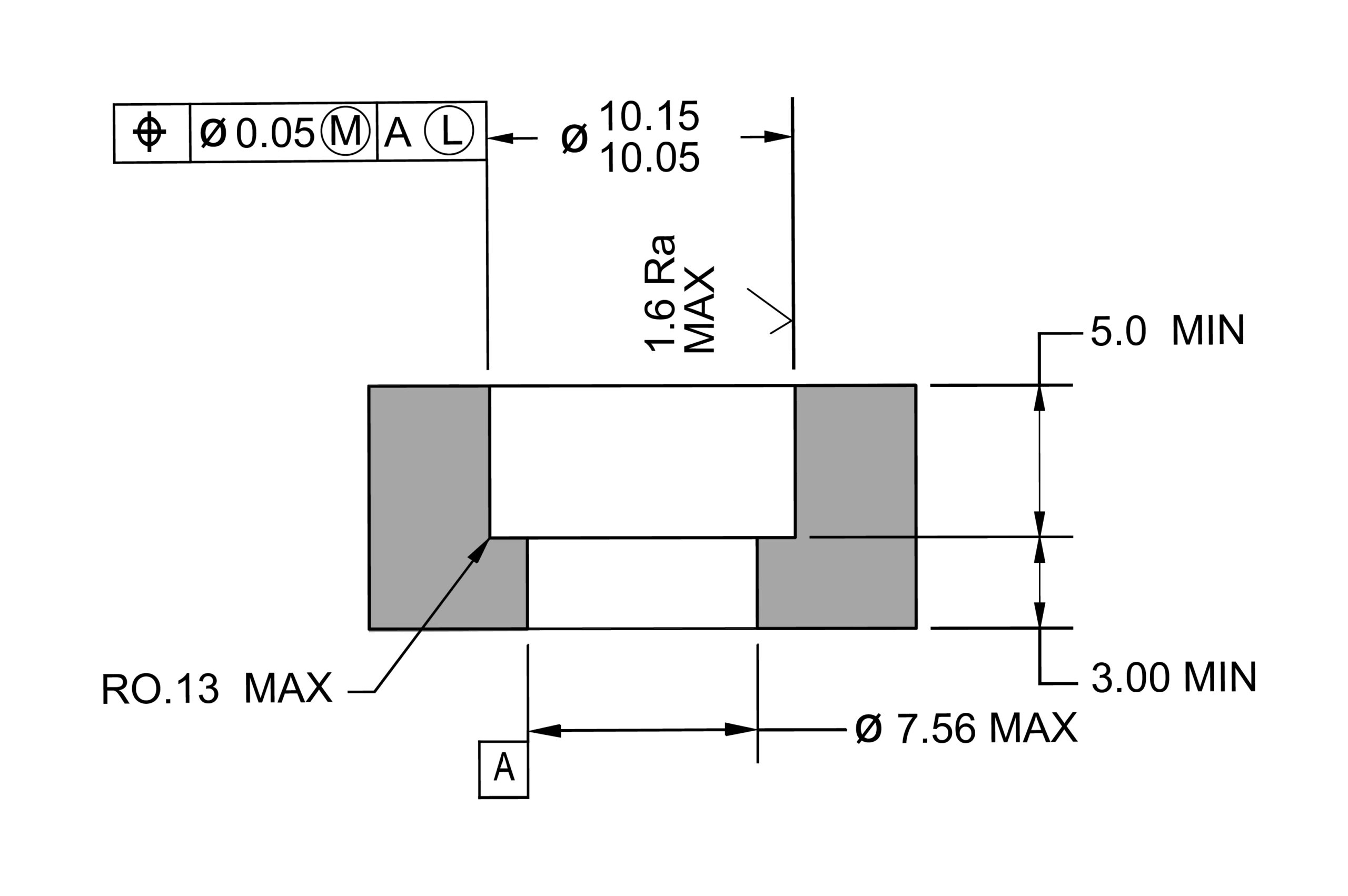
  • Screenable Passageway Diameter:As large as 7.56 mm

Product Information

General Performance
Characteristic Specification
Screen Type Woven Wire Mesh
Flow Direction Bidirectional Flow
Minimum Burst Pressure 24 MPa
Materials
COMPONENT MATERIAL
Body 305 Stainless Steel
Pintal 17-7 Stainless Steel
Screen 316 Stainless Steel
Flow Curve
Cross Section View
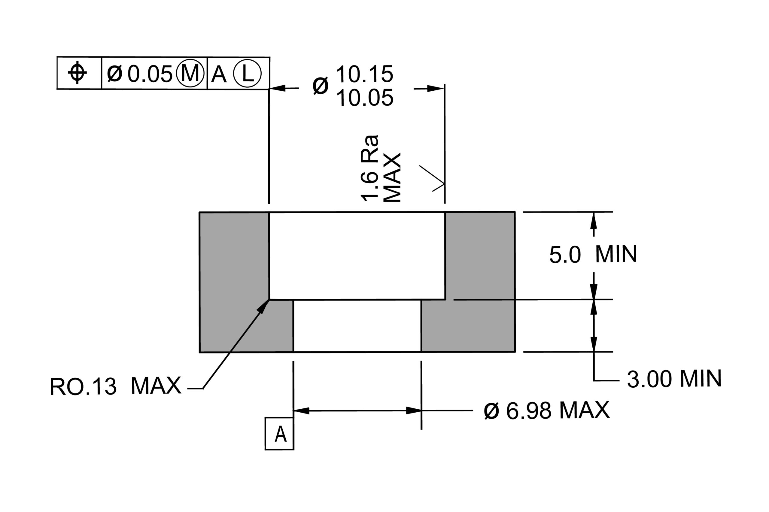
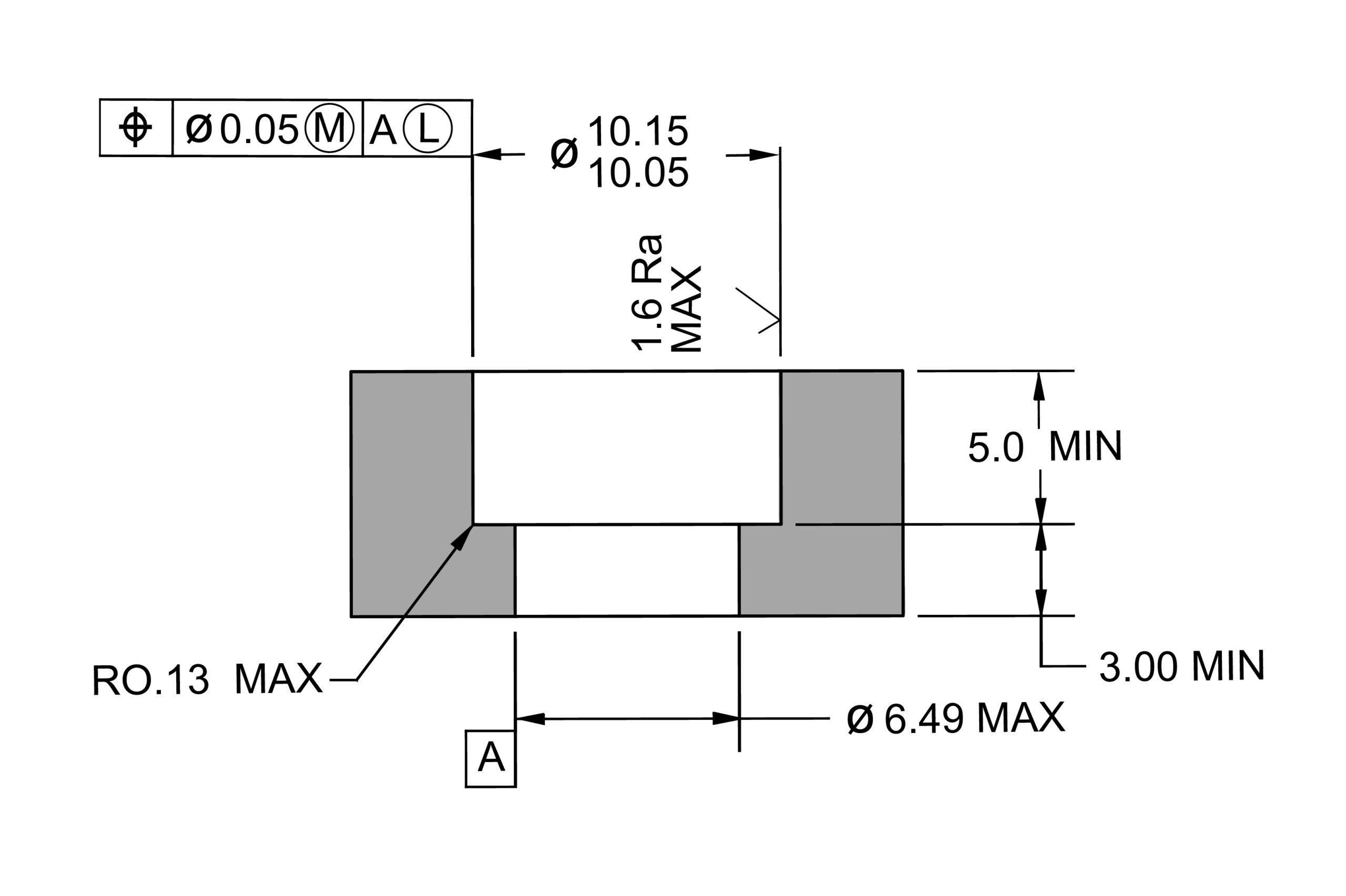
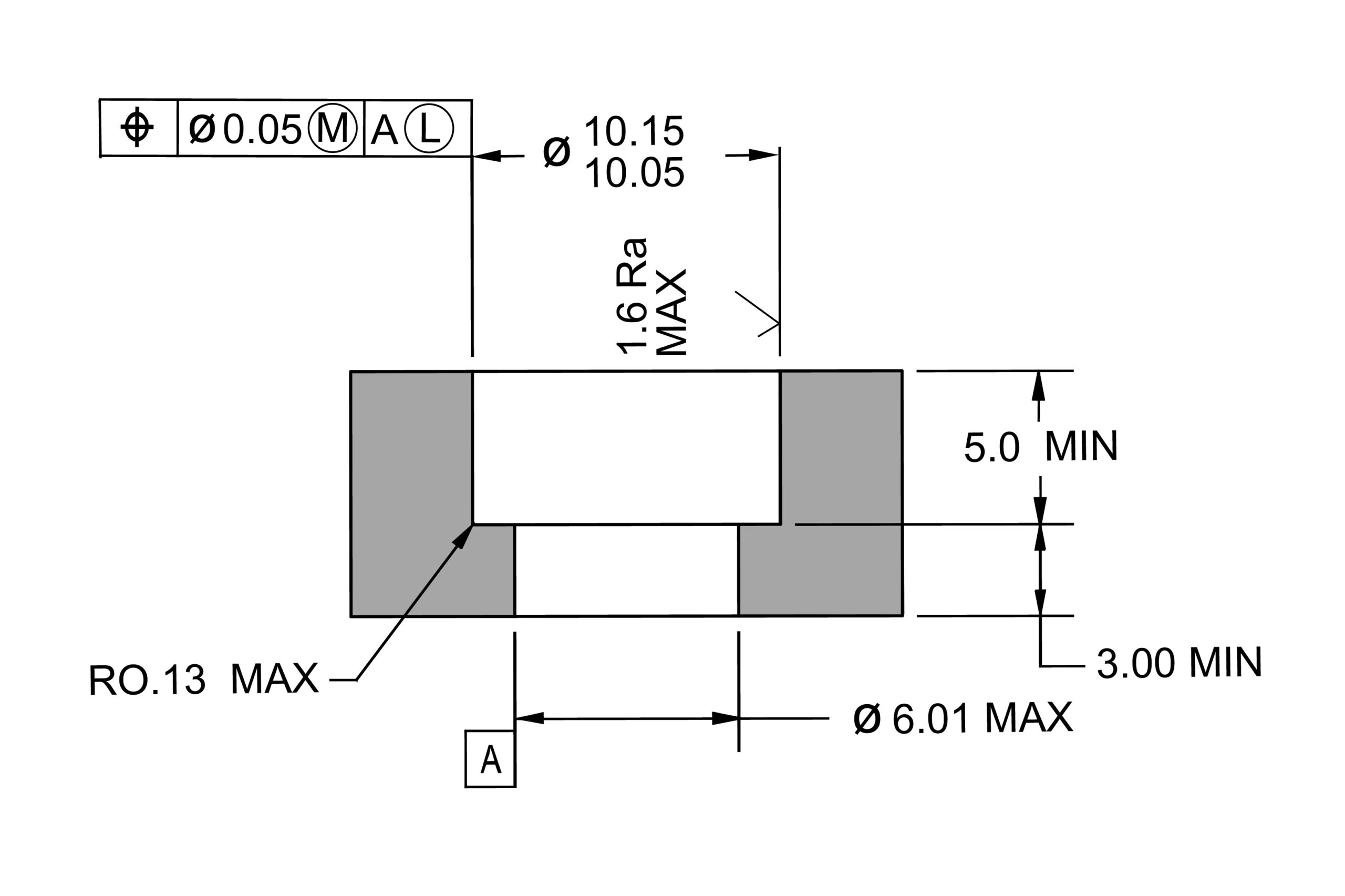
Dimensional View
Installation Hole Details

Part Numbers & Specifications

This table below contains the part numbers and technical specifications for this product. If you have specific questions, need a quote, or would like to request a handbook or drawing, click the red request button in the column on the far right.

Part Numbers & Specifications
PART NUMBER Micron Rating Lohm Rate Open Area ROB Number APPROXIMATE WEIGHT Installation Hole Drawing Number Request Information
SCRM7101040S 40 microns 70 Lohms 11.6 mm2 0.22 0.71 grams 1INST080661S Request
SCRM7101075S 75 microns 60 Lohms 9.6 mm2 0.39 0.71 grams 1INST089553S Request
SCRM7101125S 125 microns 65 Lohms 7.4 mm2 0.65 0.84 grams 1INST089555S Request
SCRM7101170S 170 microns 45 Lohms 8.7 mm2 1.53 0.88 grams 1INST089557S Request
SCRM7101300S 300 microns 35 Lohms 10.0 mm2 6.75 0.90 grams 1INST089559S Request

CAD Envelopes

Get in touch

Questions?

From plugs to solenoid valves, there’s a vast array of products that The Lee Company can offer. If you’d like to discuss the best solution for your specific application or to learn more about our capabilities, use-cases, or quality standards, contact your local Lee sales engineer.