Close Menu
Safety Screen Filters

12 mm BR Series Safety Screen Filter

This stainless steel safety screen filter delivers robust, last-line protection against contamination in hydraulic and pneumatic systems. Designed for point-of-use defense—not full-system filtration—these 12 mm screens feature an integrated Barb Retention (BR) locking end design for secure, threadless installation. A proprietary bonding process enhances mesh integrity and extends service life under demanding conditions.

Key Product Facts
  • Mounting Configuration:BR Series - Into Metal
  • Lohm Rate:As low as 22 Lohms
  • Micron Rating:40 to 170 microns
  • Part Diameter:11.93 mm
  • Screenable Passageway Diameter:As large as 9.60 mm

Product Information

General Performance
Characteristic Specification
Screen Type Woven Wire Mesh
Flow Direction Bidirectional Flow
Minimum Burst Pressure* 24 MPa
*Minimum burst pressure for a fully clogged safety screen filter
Materials
COMPONENT MATERIAL
Body 305 Stainless Steel
Pintal 303 Stainless Steel
Screen 316 Stainless Steel
Cross Section View
Dimensional View
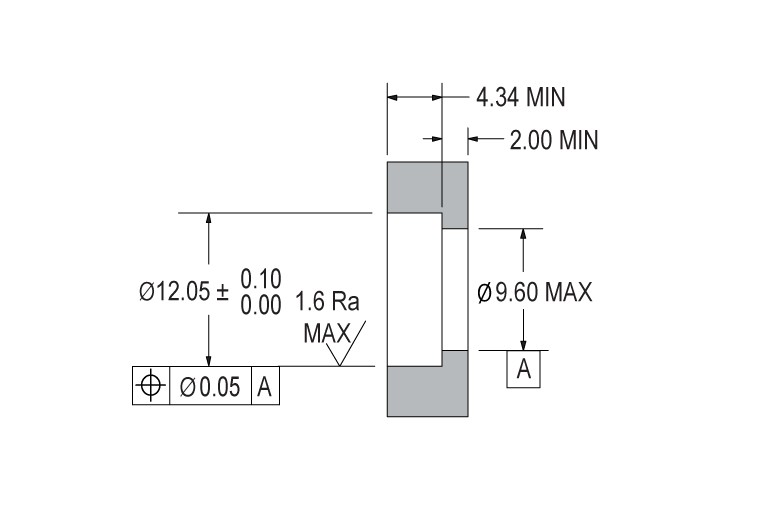
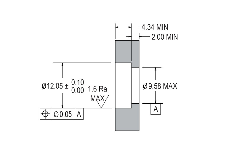
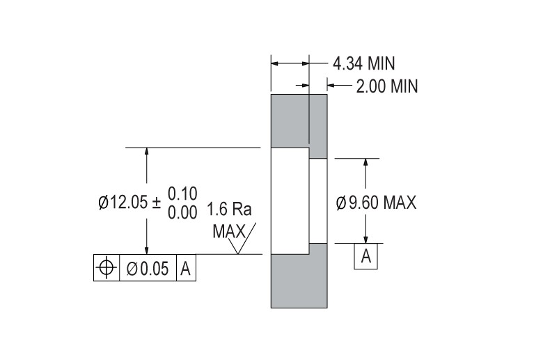
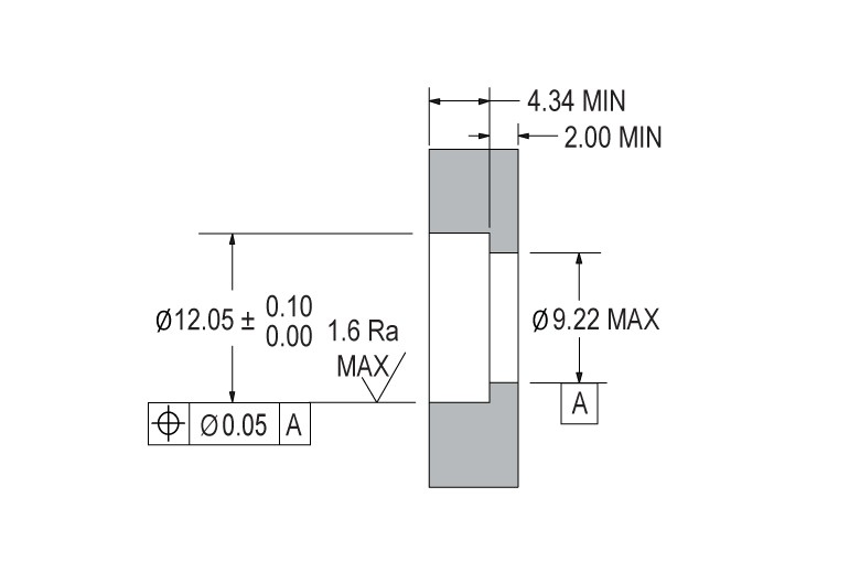
Installation Hole Details

Part Numbers & Specifications

This table below contains the part numbers and technical specifications for this product. If you have specific questions, need a quote, or would like to request a handbook or drawing, click the red request button in the column on the far right.

Part Numbers & Specifications
PART NUMBER Micron Rating Lohm Rate Open Area ROB Number* APPROXIMATE WEIGHT Installation Hole Drawing Number INSTALLATION HOLE “D” Request Information
SCRM5121040S 40 microns 24 Lohms 18 mm2 0.34 1.0 gram 1INST100819S 9.60 mm Request
SCRM5121075S 75 microns 22 Lohms 15.9 mm2 0.64 1.0 gram 1INST100821S 9.60 mm Request
SCRM5121125S 125 microns 36 Lohms 13.3 mm2 1.17 1.0 gram 1INST100823S 9.58 mm Request
SCRM5121170S 170 microns 27 Lohms 16.8 mm2 2.95 1.1 grams 1INST100825S 9.22 mm Request
*The ROB Number indicates relative resistance to blockage when comparing one screen to another. The higher the ROB Number, the greater the resistance to blockage.

Installation & Accessories

Replacement Parts & Accessories
PART NUMBER DESCRIPTION
CCRT5120040S 12 mm BR Series Screen 40 Microns Installation Tool
CCRT5120075S 12 mm BR Series Screen 75 Microns Installation Tool
CCRT5120125S 12 mm BR Series Screen 125 Microns Installation Tool
CCRT5120170S 12 mm BR Series Screen 170 Microns Installation Tool

CAD Envelopes

Get in touch

Questions?

From plugs to solenoid valves, there’s a vast array of products that The Lee Company can offer. If you’d like to discuss the best solution for your specific application or to learn more about our capabilities, use-cases, or quality standards, contact your local Lee sales engineer.