Close Menu
Nozzles

125 Aluminum Lubrication Jet

This aluminum lubrication jet generates a straight, well-defined stream of fluid to a predetermined target with differential pressures of 10 to 200 psid. It is ideal for directing streams of lubricating oil at critical bearings, cooling oil at meshing gears. Aluminum Lubrication Jets are offered with a ± 15% tolerance and are available in a Lohm range from 1050 to 7900 Lohms.

Key Product Facts
  • Type:Lubrication Nozzle
  • Metered Flow Range:1050 to 7900 Lohms
  • Diameter:0.125 inches
  • Screened:No

Product Information

General Performance
Characteristic Specification
Lohm Rate Tolerance ± 15%
Differential Pressure (Recommended) 10-200 psid
Maximum Working Pressure 1500 psid
Flow to hit 0.25" diameter target at 2" distance 90%
Nominal Weight 0.04 grams
Materials
PART MATERIAL SPECIFICATION
Body 7075-T6 Al QQ-A-225
Pin 7075-T6 Al QQ-A-225
FINISH: Insert: Anodize Clear/MIL-A-8625, Pin: Alodine Yellow/MIL-C-5541. Coating: Wax
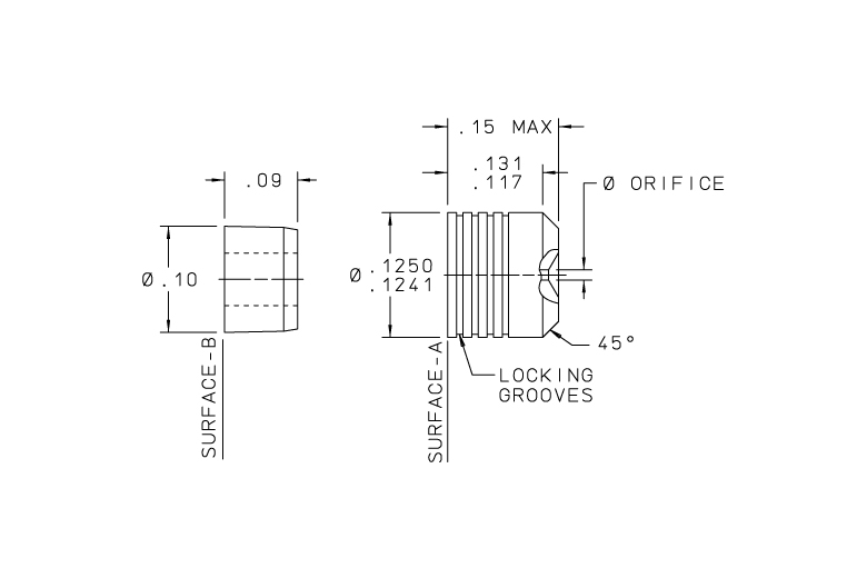
Cross Section View
Dimensional View
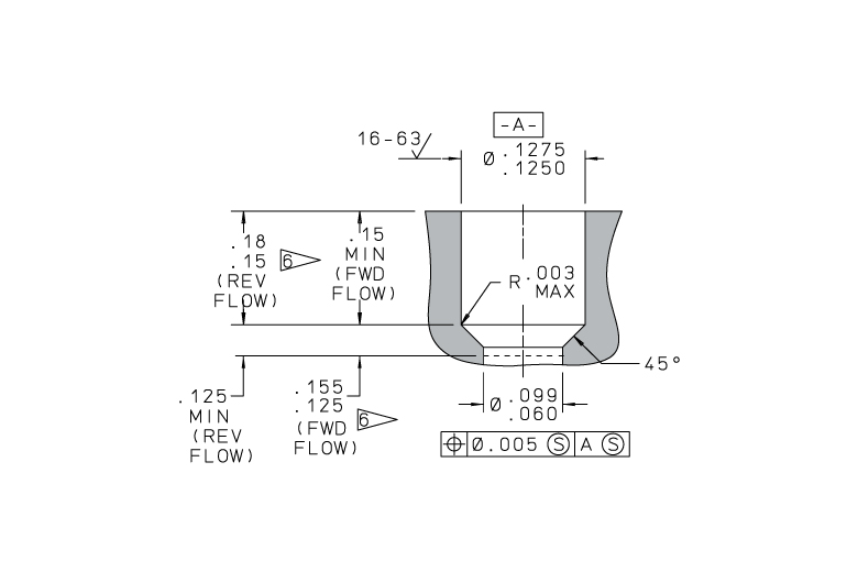
Installation Hole Details

Part Numbers & Specifications

This table below contains the part numbers and technical specifications for this product. If you have specific questions, need a quote, or would like to request a handbook or drawing, click the red request button in the column on the far right.

Part Numbers & Specifications
PART NUMBER LOHM RATE ±15% Orifice Reference (inches) Request Information
JELA1220105D 1050 Lohms 0.029 Request
JELA1220135D 1350 Lohms 0.025 Request
JELA1220175D 1750 Lohms 0.022 Request
JELA1220225D 2250 Lohms 0.019 Request
JELA1220295D 2950 Lohms 0.017 Request
JELA1220385D 3850 Lohms 0.015 Request
JELA1220500D 5000 Lohms 0.013 Request
JELA1220650D 6500 Lohms 0.011 Request
JELA1220790D 7900 Lohms 0.01 Request

Installation & Accessories

Replacement Parts & Accessories
Part Number Description
CUTA1250801C Installation / Extraction Tool Set
Not Reusable Replacement Pin

CAD Envelopes

Get in touch

Questions?

From plugs to solenoid valves, there’s a vast array of products that The Lee Company can offer. If you’d like to discuss the best solution for your specific application or to learn more about our capabilities, use-cases, or quality standards, contact your local Lee sales engineer.