Close Menu
Flow Metering Valves

281 High Pressure Flow Control

This high pressure, miniature flow control valve is 0.281 inches in diameter and 1.41 inches in length. Delivering optimal fluid control, this valve provides metered flow in one direction and free flow in the other direction. Restrictions are available from 1000 to 10,000 Lohms.

Key Product Facts
  • Type:Flow Control
  • Diameter:0.281 inches
  • Metered Flow Range:1000 - 10,000 Lohms
  • Maximum Working Pressure:5000 psi

Product Information

General Performance
Characteristic Specification
Metered Lohm Rate Tolerance ±5% or ±10%
Nominal System Pressure 5000 psid max.
Cracking Pressure 2 - 8 psid
Free Flow Lohm Rate at 25 psid and Higher 175 or 240 Lohms max.
Nominal Weight 6.0 grams
Materials
PART MATERIAL SPECIFICATION
Body 304 CRES AMS 5639
Pin 15-5PH CRES AMS 5659
Poppet 15-5PH CRES AMS 5659
Spring 17-7PH CRES AMS 5678
Screen 15-5PH CRES AMS 5659
Finish: All CRES parts passivated.
Pins are prewaxed. Do not degrease. Do not lubricate.
Cross Section Views
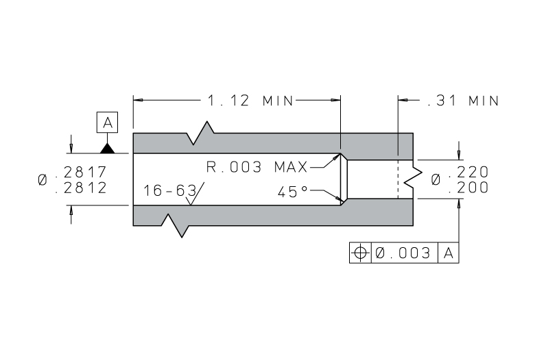
Dimensional View
Installation Hole Details

Part Numbers & Specifications

This table below contains the part numbers and technical specifications for this product. If you have specific questions, need a quote, or would like to request a handbook or drawing, click the red request button in the column on the far right.

Part Numbers & Specifications
Filter Part Numbers
Tolerance
FREE FLOW DIRECTION
FREE FLOW LOHM RATE (max.)
LEE PART NUMBER
Tolerance
FREE FLOW DIRECTION
METERED LOHM RATE
FREE FLOW LOHM RATE (max.)
NOMINAL SCREEN HOLE SIZE (in) Request Information
FHFA2815100D ±5% FORWARD 1000 175 0.008 Request
FHFA2815150D ±5% FORWARD 1500 175 0.008 Request
FHFA2815200D ±5% FORWARD 2000 175 0.008 Request
FHFA2815250D ±5% FORWARD 2500 175 0.008 Request
FHFA2815300D ±5% FORWARD 3000 175 0.008 Request
FHFA2815400D ±5% FORWARD 4000 175 0.008 Request
FHFA2815500D ±5% FORWARD 5000 240 0.004 Request
FHFA2815600D ±5% FORWARD 6000 240 0.004 Request
FHFA2815800D ±5% FORWARD 8000 240 0.004 Request
FHFA2815100H ±5% FORWARD 10000 240 0.004 Request
FHRA2815100D ±5% FORWARD 1000 175 0.008 Request
FHRA2815150D ±5% FORWARD 1500 175 0.008 Request
FHRA2815200D ±5% FORWARD 2000 175 0.008 Request
FHRA2815250D ±5% REVERSE 2500 175 0.008 Request
FHRA2815300D ±5% REVERSE 3000 175 0.008 Request
FHRA2815400D ±5% REVERSE 4000 175 0.008 Request
FHRA2815500D ±5% REVERSE 5000 240 0.004 Request
FHRA2815600D ±5% REVERSE 6000 240 0.004 Request
FHRA2815800D ±5% REVERSE 8000 240 0.004 Request
FHRA2815100H ±5% REVERSE 10000 240 0.004 Request
FHFA2810100D ±10% FORWARD 1000 175 0.008 Request
FHFA2810150D ±10% FORWARD 1500 175 0.008 Request
FHFA2810200D ±10% FORWARD 2000 175 0.008 Request
FHFA2810200D ±10% FORWARD 2500 175 0.008 Request
FHFA2810200D ±10% FORWARD 3000 175 0.008 Request
FHFA2810200D ±10% FORWARD 4000 175 0.008 Request
FHFA2810200D ±10% FORWARD 5000 240 0.004 Request
FHFA2810200D ±10% FORWARD 6000 240 0.004 Request
FHFA2810200D ±10% FORWARD 8000 240 0.004 Request
FHFA2810100H ±10% FORWARD 10000 240 0.004 Request
FHRA2810100D ±10% FORWARD 1000 175 0.008 Request
FHRA2810150D ±10% FORWARD 1500 175 0.008 Request
FHRA2810200D ±10% FORWARD 2000 175 0.008 Request
FHRA2810200D ±10% REVERSE 2500 175 0.008 Request
FHRA2810200D ±10% REVERSE 3000 175 0.008 Request
FHRA2810200D ±10% REVERSE 4000 175 0.008 Request
FHRA2810200D ±10% REVERSE 5000 240 0.004 Request
FHRA2810200D ±10% REVERSE 6000 240 0.004 Request
FHRA2810200D ±10% REVERSE 8000 240 0.004 Request
FHRA2810100H ±10% REVERSE 10000 240 0.004 Request
Clear Filters

Installation & Accessories

Replacement Parts & Accessories
PART NUMBER DESCRIPTION
CUTA2810114C Installation / Extraction Tool Set
SHBA281003A Replacement Pin

CAD Envelopes

Get in touch

Questions?

From plugs to solenoid valves, there’s a vast array of products that The Lee Company can offer. If you’d like to discuss the best solution for your specific application or to learn more about our capabilities, use-cases, or quality standards, contact your local Lee sales engineer.