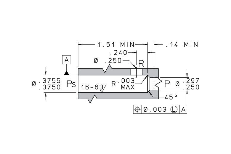
This miniature valve is designed to shunt flow across an actuator piston when the system pressure is either shut off or lost. Normally open, the valve contains a hydraulically actuated pilot-to-close feature and is available in a 0.375 in diameter insert to accommodate system pressures up to 4000 psi. It has a maximum restriction of 70 Lohms when fully open and weighs 16 grams. Metal components within the valve are constructed entirely of stainless steel, ensuring durability and long product life.
| COMPONENT | MATERIAL | SPECIFICATION |
|---|---|---|
| Body | 304 CRES | AMS 5639 |
| Retainer | 15-5PH CRES | AMS 5659 |
| Poppet Seal | GFP with Hastelloy Spring | — |
| Poppet | 15-5PH CRES | AMS 5659 |
| Spring | 17-7PH CRES | AMS 5678 |
| Compression Seal | Polyimide | — |
| Pin | 17-4PH CRES | AMS 5643 |
This table below contains the part numbers and technical specifications for this product. If you have specific questions, need a quote, or would like to request a handbook or drawing, click the red request button in the column on the far right.
| Part Number | Description |
|---|---|
| CUTX0509150B | Installation / Extraction Tool Set |
| PHRA3750003A | Replacement Pin |
| SVDA3750009A | Replacement Compression Seal |
From plugs to solenoid valves, there’s a vast array of products that The Lee Company can offer. If you’d like to discuss the best solution for your specific application or to learn more about our capabilities, use-cases, or quality standards, contact your local Lee sales engineer.
Your download has started.
We’re always ready to be your engineering partner. Fill out this form below so we can provide the solution you need.
We have received your inquiry and a member of our team will be in contact shortly to provide more information. Thank you for contacting The Lee Company!
The Lee Company has developed the Lohm Laws for defining and measuring resistance to fluid flow. The Lohm is defined such that 1 Lohm will flow 100 GPM of water with a pressure drop of 25 psi at a temperature of 80°F.
Always verify flow calculations by experiment.
*There are many parameters to consider when determining V-Factor. Click here for more information.