Close Menu
Flow Metering Valves

375 Flow Control

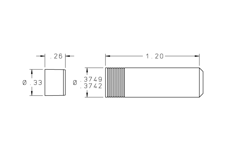
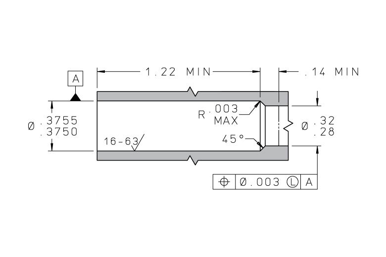
This miniature flow control valve is 0.375 inches in diameter and 1.2 inches in length. Delivering optimal fluid control, this valve provides metered flow in one direction and free flow in the other direction. Restrictions are available from 70 to 260 Lohms.

Key Product Facts
  • Type:Flow Control
  • Diameter:0.375 inches
  • Metered Flow Range:70 - 260 Lohms
  • Maximum Working Pressure:3000 psi

Product Information

General Performance
Characteristic Specification
Metered Lohm Rate Tolerance ±5%
Nominal System Pressure up to 3000 psi
Cracking Pressure 2 - 8 psid
Free Flow Lohm Rate at 25 psid and Higher 24 or 42 Lohms max.
Nominal Weight 10.0 grams
Materials
PART MATERIAL SPECIFICATION
Body 304 CRES AMS 5639
Pin 17-4PH CRES AMS 5643
Poppet 15-5PH CRES AMS 5659
Spring 17-7PH CRES AMS 5678
Spring Seat 304 CRES AMS 5639
Finish: All CRES parts passivated.
Pins are prewaxed. Do not degrease. Do not lubricate.
Cross Section Views
Dimensional View
Installation Hole Details

Part Numbers & Specifications

This table below contains the part numbers and technical specifications for this product. If you have specific questions, need a quote, or would like to request a handbook or drawing, click the red request button in the column on the far right.

Part Numbers & Specifications
Filter Part Numbers
FREE FLOW LOHM RATE (max.)
FREE FLOW DIRECTION
LEE PART NUMBER
FREE FLOW LOHM RATE (max.)
FREE FLOW DIRECTION
METERED LOHM RATE (±5%) Request Information
FCFA3755070L 24 FORWARD 70 Request
FCFA3755080L 24 FORWARD 85 Request
FCFA3755095L 24 FORWARD 95 Request
FCFA3755110L 24 FORWARD 110 Request
FCFA3755130L 24 FORWARD 130 Request
FCFA3755150L 24 FORWARD 150 Request
FCFA3755175L 24 FORWARD 175 Request
FCFA3755200L 24 FORWARD 200 Request
FCFA3755230L 24 FORWARD 230 Request
FCFA3755260L 24 FORWARD 260 Request
FCFA3756070L 42 FORWARD 70 Request
FCFA3756080L 42 FORWARD 85 Request
FCFA3756095L 42 FORWARD 95 Request
FCFA3756110L 42 FORWARD 110 Request
FCFA3756130L 42 FORWARD 130 Request
FCFA3756150L 42 FORWARD 150 Request
FCFA3756175L 42 FORWARD 175 Request
FCFA3756200L 42 FORWARD 200 Request
FCFA3756230L 42 FORWARD 230 Request
FCFA3756260L 42 FORWARD 260 Request
FCRA3755070L 24 REVERSE 70 Request
FCRA3755080L 24 REVERSE 85 Request
FCRA3755095L 24 REVERSE 95 Request
FCRA3755110L 24 REVERSE 110 Request
FCRA3755130L 24 REVERSE 130 Request
FCRA3755150L 24 REVERSE 150 Request
FCRA3755175L 24 REVERSE 175 Request
FCRA3755200L 24 REVERSE 200 Request
FCRA3755230L 24 REVERSE 230 Request
FCRA3755260L 24 REVERSE 260 Request
FCRA3756070L 42 REVERSE 70 Request
FCRA3756080L 42 REVERSE 85 Request
FCRA3756095L 42 REVERSE 95 Request
FCRA3756110L 42 REVERSE 110 Request
FCRA3756130L 42 REVERSE 130 Request
FCRA3756150L 42 REVERSE 150 Request
FCRA3756175L 42 REVERSE 175 Request
FCRA3756200L 42 REVERSE 200 Request
FCRA3756230L 42 REVERSE 230 Request
FCRA3756260L 42 REVERSE 260 Request
Clear Filters

Installation & Accessories

Replacement Parts & Accessories
PART NUMBER DESCRIPTION
CUTA3750106C Installation / Extraction Tool Set
CKFA3750003A Replacement Pin

CAD Envelopes

CAD Envelope
Get in touch

Questions?

From plugs to solenoid valves, there’s a vast array of products that The Lee Company can offer. If you’d like to discuss the best solution for your specific application or to learn more about our capabilities, use-cases, or quality standards, contact your local Lee sales engineer.