Close Menu
Flow Metering Valves

375 Screened High Pressure Flow Control

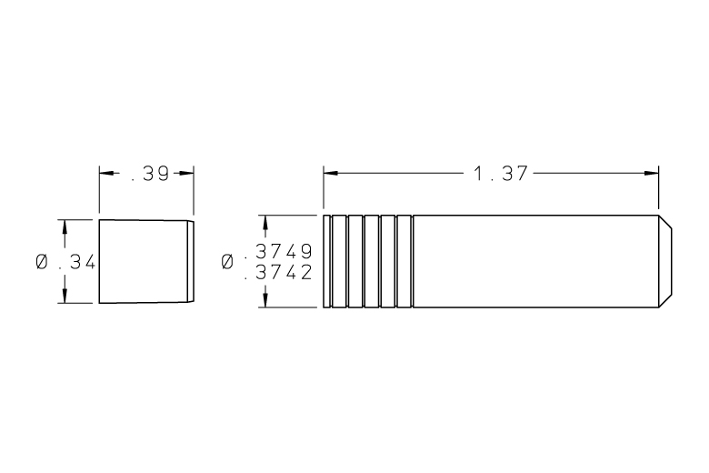
This high pressure, miniature flow control valve is 0.375 inches in diameter and 1.37 inches in length. Delivering optimal fluid control, this valve provides metered flow in one direction and free flow in the other direction. Restrictions are available from 300 to 3200 Lohms.

Key Product Facts
  • Type:Flow Control
  • Diameter:0.375 inches
  • Metered Flow Range:300 - 3200 Lohms
  • Maximum Working Pressure:5000 psi

Product Information

General Performance
Characteristic Specification
Metered Lohm Rate Tolerance ±5%
Nominal System Pressure up to 5000 psi
Cracking Pressure 2 - 8 psid
Free Flow Lohm Rate at 25 psid and Higher 28 Lohms max.
Nominal Weight 13.0 grams
Materials
PART MATERIAL SPECIFICATION
Body 304 CRES AMS 5639
Pin 17-4PH CRES AMS 5643
Poppet 15-5PH CRES AMS 5659
Spring 17-7PH CRES AMS 5678
Spring Seat 304 CRES AMS 5639
Orifice Plate 17-4PH CRES AMS 5643
Screen 15-5PH CRES AMS 5659
Finish: All CRES parts passivated.
Pins are prewaxed. Do not degrease. Do not lubricate.
Cross Section Views
Dimensional View
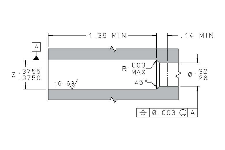
Installation Hole Details

Part Numbers & Specifications

This table below contains the part numbers and technical specifications for this product. If you have specific questions, need a quote, or would like to request a handbook or drawing, click the red request button in the column on the far right.

Part Numbers & Specifications
Filter Part Numbers
FREE FLOW DIRECTION
LEE PART NUMBER
FREE FLOW DIRECTION
METERED LOHM RATE (±5%) FREE FLOW LOHM RATE (max.) NOMINAL SCREEN HOLE SIZE (in) Request Information
FHFA3755300L FORWARD 300 28 0.024 Request
FHFA3755400L FORWARD 400 28 0.024 Request
FHFA3755500L FORWARD 500 28 0.024 Request
FHFA3755600L FORWARD 600 28 0.02 Request
FHFA3755700L FORWARD 700 28 0.02 Request
FHFA3755800L FORWARD 800 28 0.015 Request
FHFA3755900L FORWARD 900 28 0.015 Request
FHFA3755100D FORWARD 1000 28 0.015 Request
FHFA3755120D FORWARD 1200 28 0.012 Request
FHFA3755140D FORWARD 1400 28 0.012 Request
FHFA3755160D FORWARD 1600 28 0.012 Request
FHFA3755180D FORWARD 1800 28 0.012 Request
FHFA3755200D FORWARD 2000 28 0.012 Request
FHFA3755240D FORWARD 2400 28 0.008 Request
FHFA3755280D FORWARD 2800 28 0.008 Request
FHFA3755320D FORWARD 3200 28 0.008 Request
FHRA3755300L REVERSE 300 28 0.024 Request
FHRA3755400L REVERSE 400 28 0.024 Request
FHRA3755500L REVERSE 500 28 0.024 Request
FHRA3755600L REVERSE 600 28 0.02 Request
FHRA3755700L REVERSE 700 28 0.02 Request
FHRA3755800L REVERSE 800 28 0.015 Request
FHRA3755900L REVERSE 900 28 0.015 Request
FHRA3755100D REVERSE 1000 28 0.015 Request
FHRA3755120D REVERSE 1200 28 0.012 Request
FHRA3755140D REVERSE 1400 28 0.012 Request
FHRA3755160D REVERSE 1600 28 0.012 Request
FHRA3755180D REVERSE 1800 28 0.012 Request
FHRA3755200D REVERSE 2000 28 0.012 Request
FHRA3755240D REVERSE 2400 28 0.008 Request
FHRA3755280D REVERSE 2800 28 0.008 Request
FHRA3755320D REVERSE 3200 28 0.008 Request
Clear Filters

Installation & Accessories

Replacement Parts & Accessories
PART NUMBER DESCRIPTION
CUTA3750106C Installation / Extraction Tool Set
PHRA3750003A Replacement Pin
Get in touch

Questions?

From plugs to solenoid valves, there’s a vast array of products that The Lee Company can offer. If you’d like to discuss the best solution for your specific application or to learn more about our capabilities, use-cases, or quality standards, contact your local Lee sales engineer.