Close Menu
Flow Metering Valves

500 Flow Control

This miniature flow control valve is 0.500 inches in diameter and 1.5 inches in length. Delivering optimal fluid control, this valve provides metered flow in one direction and free flow in the other direction. Restrictions are available from 40 to 260 Lohms.

Key Product Facts
  • Type:Flow Control
  • Diameter:0.500 inches
  • Metered Flow Range:40 - 260 Lohms
  • Maximum Working Pressure:3000 psi

Product Information

General Performance
Characteristic Specification
Metered Lohm Rate Tolerance ±5%
Nominal System Pressure up to 3000 psi
Cracking Pressure 2 - 8 psid
Free Flow Lohm Rate at 25 psid and Higher 12 or 24 Lohms max.
Nominal Weight 20.0 grams
Materials
PART MATERIAL SPECIFICATION
Body 304 CRES AMS 5639
Pin 15-5PH CRES AMS 5659
Poppet 15-5PH CRES AMS 5659
Spring 17-7PH CRES AMS 5678
Spring Seat 303 CRES QQ-S-763C
Finish: All CRES parts passivated.
Pins are prewaxed. Do not degrease. Do not lubricate.
Cross Section Views
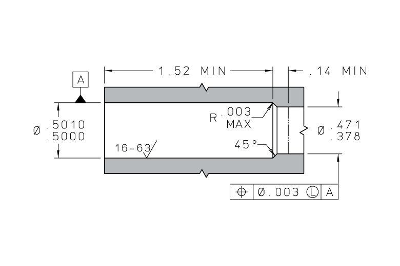
Dimensional View
Installation Hole Details

Part Numbers & Specifications

This table below contains the part numbers and technical specifications for this product. If you have specific questions, need a quote, or would like to request a handbook or drawing, click the red request button in the column on the far right.

Part Numbers & Specifications
Filter Part Numbers
FREE FLOW LOHM RATE (max.)
FREE FLOW DIRECTION
LEE PART NUMBER
FREE FLOW LOHM RATE (max.)
FREE FLOW DIRECTION
METERED LOHM RATE (±5%) Request Information
FCFA5005040L 12 Lohms FORWARD 40 Request
FCFA5005045L 12 Lohms FORWARD 45 Request
FCFA5005050L 12 Lohms FORWARD 50 Request
FCFA5005055L 12 Lohms FORWARD 55 Request
FCFA5005060L 12 Lohms FORWARD 60 Request
FCFA5005070L 12 Lohms FORWARD 70 Request
FCFA5005080L 12 Lohms FORWARD 80 Request
FCFA5005095L 12 Lohms FORWARD 95 Request
FCFA5005110L 12 Lohms FORWARD 110 Request
FCFA5005130L 12 Lohms FORWARD 130 Request
FCFA5005150L 12 Lohms FORWARD 150 Request
FCFA5005175L 12 Lohms FORWARD 175 Request
FCFA5005200L 12 Lohms FORWARD 200 Request
FCFA5005230L 12 Lohms FORWARD 230 Request
FCFA5005260L 12 Lohms FORWARD 260 Request
FCFA5006040L 24 Lohms FORWARD 40 Request
FCFA5006045L 24 Lohms FORWARD 45 Request
FCFA5006050L 24 Lohms FORWARD 50 Request
FCFA5006055L 24 Lohms FORWARD 55 Request
FCFA5006060L 24 Lohms FORWARD 60 Request
FCFA5006070L 24 Lohms FORWARD 70 Request
FCFA5006080L 24 Lohms FORWARD 80 Request
FCFA5006095L 24 Lohms FORWARD 95 Request
FCFA5006110L 24 Lohms FORWARD 110 Request
FCFA5006130L 24 Lohms FORWARD 130 Request
FCFA5006150L 24 Lohms FORWARD 150 Request
FCFA5006175L 24 Lohms FORWARD 175 Request
FCFA5006200L 24 Lohms FORWARD 200 Request
FCFA5006230L 24 Lohms FORWARD 230 Request
FCFA5006260L 24 Lohms FORWARD 260 Request
FCRA5005040L 12 Lohms REVERSE 40 Request
FCRA5005045L 12 Lohms REVERSE 45 Request
FCRA5005050L 12 Lohms REVERSE 50 Request
FCRA5005055L 12 Lohms REVERSE 55 Request
FCRA5005060L 12 Lohms REVERSE 60 Request
FCRA5005070L 12 Lohms REVERSE 70 Request
FCRA5005080L 12 Lohms REVERSE 80 Request
FCRA5005095L 12 Lohms REVERSE 95 Request
FCRA5005110L 12 Lohms REVERSE 110 Request
FCRA5005130L 12 Lohms REVERSE 130 Request
FCRA5005150L 12 Lohms REVERSE 150 Request
FCRA5005175L 12 Lohms REVERSE 175 Request
FCRA5005200L 12 Lohms REVERSE 200 Request
FCRA5005230L 12 Lohms REVERSE 230 Request
FCRA5005260L 12 Lohms REVERSE 260 Request
FCRA5006040L 24 Lohms REVERSE 40 Request
FCRA5006045L 24 Lohms REVERSE 45 Request
FCRA5006050L 24 Lohms REVERSE 50 Request
FCRA5006055L 24 Lohms REVERSE 55 Request
FCRA5006060L 24 Lohms REVERSE 60 Request
FCRA5006070L 24 Lohms REVERSE 70 Request
FCRA5006080L 24 Lohms REVERSE 80 Request
FCRA5006095L 24 Lohms REVERSE 95 Request
FCRA5006110L 24 Lohms REVERSE 110 Request
FCRA5006130L 24 Lohms REVERSE 130 Request
FCRA5006150L 24 Lohms REVERSE 150 Request
FCRA5006175L 24 Lohms REVERSE 175 Request
FCRA5006200L 24 Lohms REVERSE 200 Request
FCRA5006230L 24 Lohms REVERSE 230 Request
FCRA5006260L 24 Lohms REVERSE 260 Request
Clear Filters

Installation & Accessories

Replacement Parts & Accessories
PART NUMBER DESCRIPTION
CUTA5000106C Installation / Extraction Tool Set
CKFA5000003A Replacement Pin

CAD Envelopes

CAD Envelope
Get in touch

Questions?

From plugs to solenoid valves, there’s a vast array of products that The Lee Company can offer. If you’d like to discuss the best solution for your specific application or to learn more about our capabilities, use-cases, or quality standards, contact your local Lee sales engineer.