Close Menu
Nozzles

Forward Lubrication Jet, Screened

This lubrication jet generates a straight, well-defined stream of fluid to a predetermined target with differential pressures of 10 to 200 psid. It is ideal for directing streams of lubricating oil at critical bearings, cooling oil at meshing gears, or fuel at the inside of vaporizing tubes in aircraft combustion chambers. Forward Screened Lubrication Jets are offered with a ± 10% tolerance and are available in a Lohm range from 500 to 7500 Lohms. An integrated safety screen is included for protection against rogue particles in the forward flow direction.

Key Product Facts
  • Type:Lubrication Nozzle
  • Metered Flow Range:500 to 7500 Lohms
  • Diameter:0.187 inches
  • Screened:Yes

Product Information

General Performance
Characteristic Specification
Lohm Rate Tolerance ± 10%
Differential Pressure (Recommended) 10-200 psid
Flow to hit 0.25" diameter target at 2" distance 90%
Nominal Weight 1.2 grams
Materials
PART MATERIAL SPECIFICATION
Body 303 CRES QQ-S-763C
Pin 303 CRES QQ-S-763C
Screen 304L CRES ASTM A 666
Base Washer 304L CRES ASTM A 666
Braze AMS 4774
Finish: All CRES Parts Passivated
Pins are prewaxed. Do not degrease. Do not lubricate.
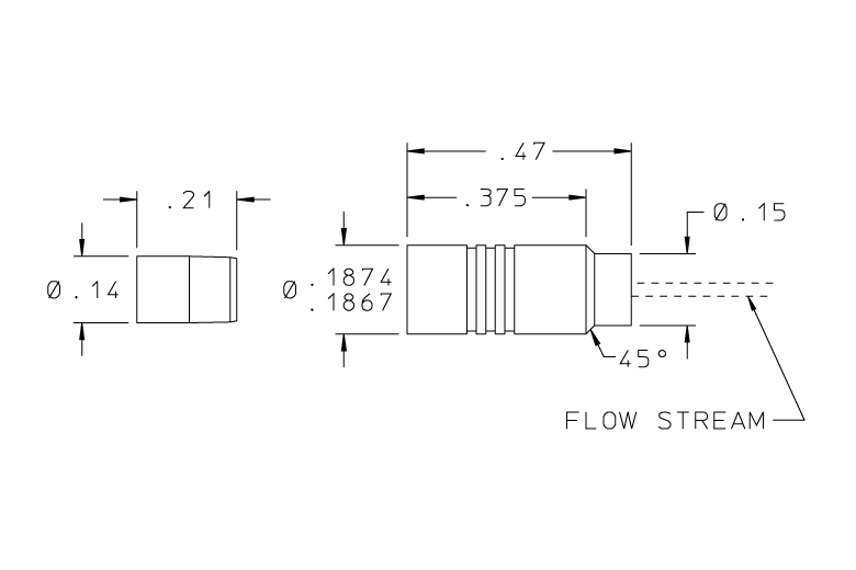
Cross Section View
Dimensional View
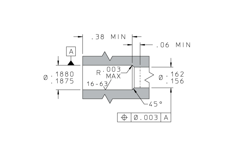
Installation Hole Details

Part Numbers & Specifications

This table below contains the part numbers and technical specifications for this product. If you have specific questions, need a quote, or would like to request a handbook or drawing, click the red request button in the column on the far right.

Part Numbers & Specifications
PART NUMBER LOHM RATE ±10% NOMINAL SCREEN HOLE SIZE (in) RERFERENCE FLOW RATE MIL-L-7808 @ 25 psid & 200°F (pph) Request Information
JELA1801500L 500 Lohms 0.015 85 Request
JELA1801900L 900 Lohms 0.015 50 Request
JELA1801150D 1500 Lohms 0.008 30 Request
JELA1801250D 2500 Lohms 0.008 18 Request
JELA1801450D 4500 Lohms 0.008 10 Request
JELA1801750D 7500 Lohms 0.006 6 Request

Installation & Accessories

Replacement Parts & Accessories
Part Number Description
CUTA1870104C Installation / Extraction Tool Set
JETA1870003A Replacement Pin

CAD Envelopes

Get in touch

Questions?

From plugs to solenoid valves, there’s a vast array of products that The Lee Company can offer. If you’d like to discuss the best solution for your specific application or to learn more about our capabilities, use-cases, or quality standards, contact your local Lee sales engineer.