Close Menu
Solenoid Valves

Latching Solenoid Valve

The Latching Solenoid Valve is the ideal solution for power-sensitive applications. This valve incorporates permanent magnets into the coil design. Unlike traditional designs that require continuous voltage to energize the valve from its natural state, this solenoid valve only requires a momentary pulse of less than a Joule to switch to and remain in state. This provides a dramatic reduction in overall power consumption, particularly when operating for extended “on” periods.

Key Product Facts
  • Lohm Rate:2000 Lohms max
  • Operating Pressure:3000 psid
  • Leakage:1 cc / minute max
  • Weight:0.20 lbs max
  • 2-Way and 3-Way Configurations Available

Product Information

General Performance
CHARACTERISTIC SPECIFICATION
Operating Pressure 3000 psid
Operating Ambient Temperature -65°F to 275°F
Operating Fluid Temperature -65°F to 275°F
Internal Leakage 1 cc / Minute Max at Rated Pressure
External Leakage 0 cc
Lohm Rate 2000 Lohms Max
Current Drain 1.2 amps at 12 VDC at 70°F (14.5 Watts)
Operating Voltage Range 12 - 14 VDC at 275°F
Resistance 8 - 12 Ohms at 70°F
Nominal Screen Hole Size 0.004 inches
Weight 0.20 lbs Max
Materials
Wetted Parts
Part Material Specification Finish
Filter Screen 15-5 PH CRES AMS 5659 Passivated
MultiSeal Polyamide-Imide AMS 3670
Body and Ball Seat 15-5 PH CRES AMS 5659 Passivated
Ball and Pin 440C CRES AMS 5630 Passivated
Shaft 440C CRES AMS-QQ-S-763 Passivated
Spring 17-7PH CRES AMS 5678 Passivated
Pushrod 303 CRES QQ-S-763C Passivated
Flanges and Plungers Ferritic Stainless Steel Passivated
Shunt 22-13-5 CRES AMS 5764 Nickel Plate / AMS 2404
Shims and Spacers 302 CRES ASTM A666 Passivated
Braze Silver Alloy AMS 4774 Nickel Plate / AMS 2404
Non-Wetted Parts
Part Material Specification Finish
Cover Ferritic Stainless Steel Passivated
Retainer 2024 T-351 AL AMS-QQ-A-225 / 6 Anodize / MIL-PRF-8625 Type II
Coil Copper Magnet Wire NEMA MW1000 / MW16
Shrink Tube PVDF and PTFE AMS-DTL-23053 / 8 & / 12
Insulation Tape Polyimide ASTM D5213
Solder Sb05A J-STD-006
Potting Compound Stycast 2762FT, Catalyst 17
Magnet Samarium Cobalt
Magent Holder PEEK
Lead Wire 22 AWG SAE AS22759 / 11
Flow Curve
Cross Section View
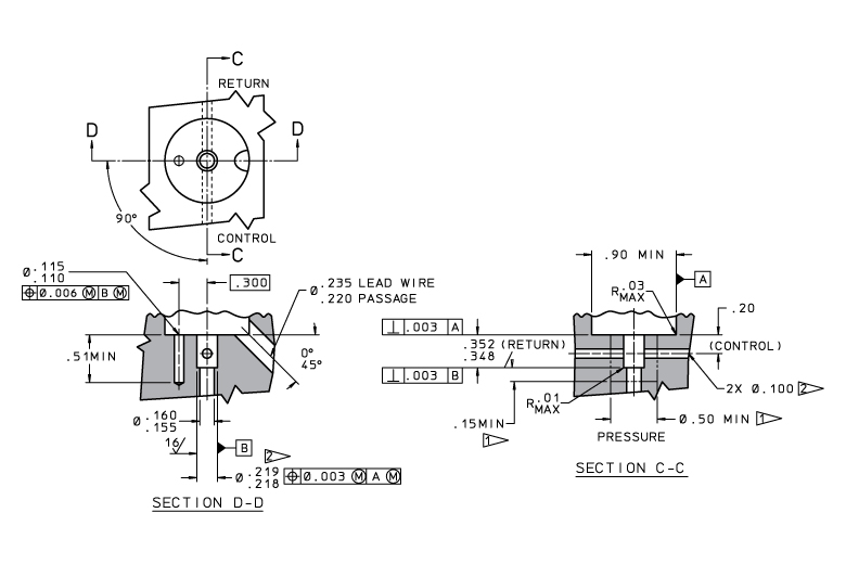
Dimensional Views
Mounting Details

Part Numbers & Specifications

This table below contains the part numbers and technical specifications for this product. If you have specific questions, need a quote, or would like to request a handbook or drawing, click the red request button in the column on the far right.

Part Numbers & Specifications
Part Number Rated Pressure (psi) Test Fluid Porting Electrical Interface Retainer Nut Request Information
SDLA2121033A 3000 HATCOL® 2925 Synthetic Ester 2-Way Lead Wire Front Yes Request
SDLA2121033B 3000 HATCOL® 2925 Synthetic Ester 2-Way Lead Wire Rear Yes Request
SDLA2131033A 3000 HATCOL® 2925 Synthetic Ester 3-Way Lead Wire Front Yes Request
SDLA2131033B 3000 HATCOL® 2925 Synthetic Ester 3-Way Lead Wire Rear Yes Request
SDLA2121023A 3000 HATCOL® 2925 Synthetic Ester 2-Way Lead Wire Front No Request
SDLA2121023B 3000 HATCOL® 2925 Synthetic Ester 2-Way Lead Wire Rear No Request
SDLA2131023A 3000 HATCOL® 2925 Synthetic Ester 3-Way Lead Wire Front No Request
SDLA2131023B 3000 HATCOL® 2925 Synthetic Ester 3-Way Lead Wire Rear No Request
HATCOL® is a registered trademark of Lanxess Solutions US Inc.

Installation & Accessories

Replacement Parts & Accessories
Part Number Description
CUTA2180121B MultiSeal Extraction Tool
CUTA2180122B Extended Length MultiSeal Extraction Tool
SDBB2130108A Replacement MultiSeal
SDBB2130009A Threaded Retainer
CUTA2180121A Test Fixture
Get in touch

Questions?

From plugs to solenoid valves, there’s a vast array of products that The Lee Company can offer. If you’d like to discuss the best solution for your specific application or to learn more about our capabilities, use-cases, or quality standards, contact your local Lee sales engineer.