Close Menu
Check Valves

125 High Pressure Check Valve

This miniature, high pressure check valve is only 0.125 inches in diameter and 0.52 inches in length. Its robust design prevents backflow in high pressure systems up to 8000 psi. It is ideal for applications with flow rates up to 0.8 GPM. An integral safety screen is also available.

Key Product Facts
  • Poppet-Style Check Valves
  • Diameter:0.125 inches
  • Lohm Rate:400 Lohms max
  • Operating Pressures:Up to 8000 psi
  • Leakage:1 drop / hour at 8000 psi

Product Information

General Performance
Characteristic Specification
Cracking Pressure 5 ± 3 or 1 ± 0.5 psid
Maximum Leakage in Checked Direction at 5 psid 1 Drop / Minute
Maximum Leakage in Checked Direction at 1000-8000 psid 1 Drop / Hour
Lohm Rate at 20 psid and Greater Unscreened: 400 Lohms
Screened: 460 Lohms
Nominal System Pressure Up to 8000 psi
Nominal Weight Unscreened: 0.6 grams
Screened Forward: 0.8 grams
Screened Reverse: 0.7 grams
Available Screen Hole Size 0.008 inches Nominal
Test Fluid MIL-PRF-83282 at 85°F
Materials
PART MATERIAL SPECIFICATION
Body 304 CRES AMS 5639
Pin 13-8 MO CRES AMS 5629
Poppet 15-5PH CRES AMS 5659
Spring 17-7PH CRES AMS 5678
Spring Seat 304 CRES AMS 5639
Screen (Screened Version Only) 15-5PH CRES AMS 5659
Finish: All CRES parts passivated.
Pins are prewaxed. Do not degrease. Do not lubricate.
Flow Curves
Cross Section Views
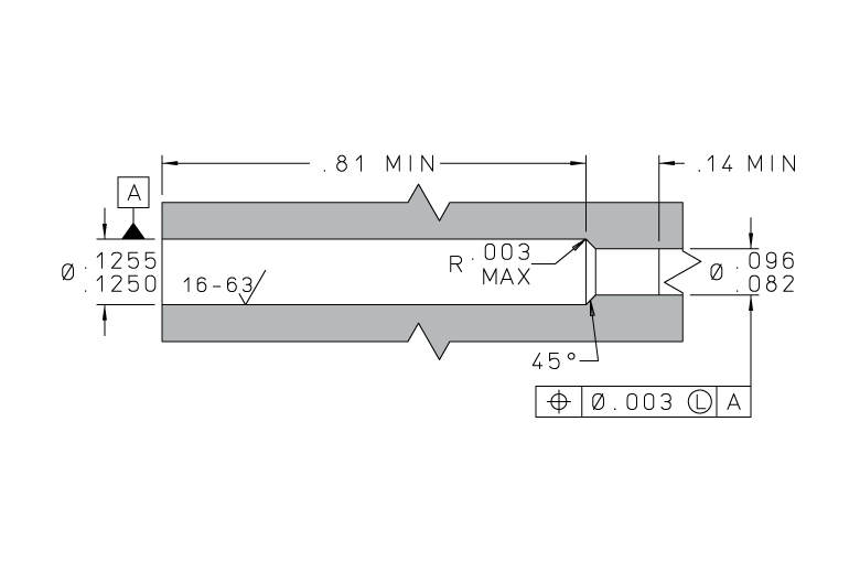
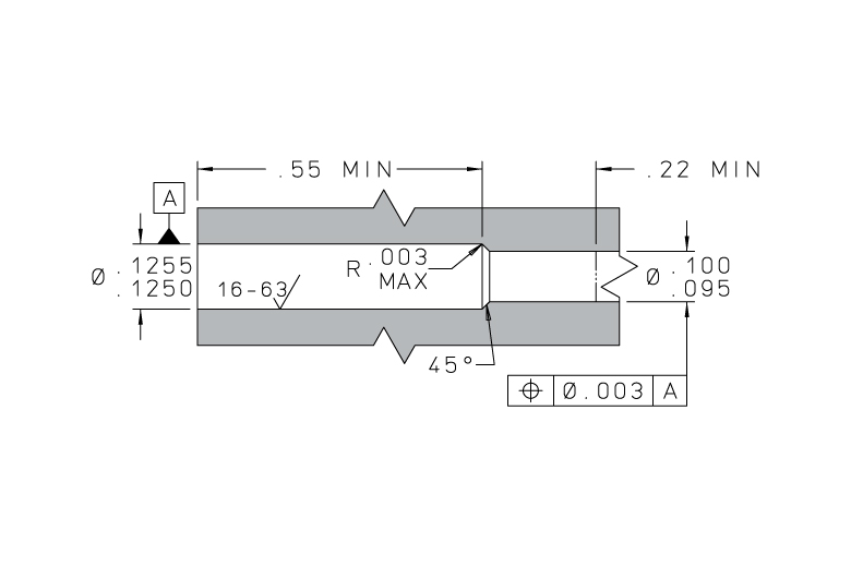
Dimensional Views
Installation Hole Details

Part Numbers & Specifications

This table below contains the part numbers and technical specifications for this product. If you have specific questions, need a quote, or would like to request a handbook or drawing, click the red request button in the column on the far right.

Part Numbers & Specifications
PART NUMBER CRACKING PRESSURE (psid) LOHM RATE SCREEN HOLE SIZE (inches) FLOW DIRECTION Request Information
CHFA1256505A 5 ± 3 400 Lohms Maximum - Forward Request
CHFA1256501A 1 ± 0.5 400 Lohms Maximum - Forward Request
CHRA1256505A 5 ± 3 400 Lohms Maximum - Reverse Request
CHRA1256501A 1 ± 0.5 400 Lohms Maximum - Reverse Request
CHFA1255505A 5 ± 3 460 Lohms Maximum 0.008 Forward Request
CHFA1255501A 1 ± 0.5 460 Lohms Maximum 0.008 Forward Request
CHRA1255505A 5 ± 3 460 Lohms Maximum 0.008 Reverse Request
CHRA1255501A 1 ± 0.5 460 Lohms Maximum 0.008 Reverse Request

Installation & Accessories

Replacement Parts & Accessories
PART NUMBER DESCRIPTION
CUTA1250306C Installation / Extraction Tool Set
Get in touch

Questions?

From plugs to solenoid valves, there’s a vast array of products that The Lee Company can offer. If you’d like to discuss the best solution for your specific application or to learn more about our capabilities, use-cases, or quality standards, contact your local Lee sales engineer.