Close Menu
Flow Metering Valves

187 Flow Control

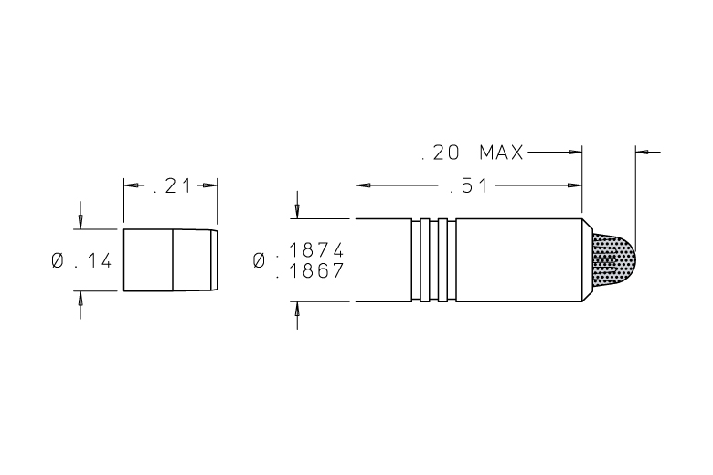
This miniature flow control valve is 0.187 inches in diameter and 0.71 inches in length. Combining a restrictor and check valve in parallel into a single package, this valve provides metered flow in one direction and free flow in the other direction. Restrictions are available from 1000 to 20,000 Lohms.

Key Product Facts
  • Type:Flow Control
  • Diameter:0.187 inches
  • Metered Flow Range:1000 - 20,000 Lohms
  • Maximum Working Pressure:3000 psi

Product Information

General Performance
Characteristic Specification
Metered Lohm Rate Tolerance ±5% or ±10%
Nominal System Pressure up to 3000 psi
Cracking Pressure 2 - 8 psid
Free Flow Lohm Rate at 25 psid and Higher 470 Lohms max.
Nominal Weight 1.3 grams
Materials
PART MATERIAL SPECIFICATION
Body 303 CRES QQ-S-763C
Pin 303 CRES QQ-S-763C
Spring Seat 303 CRES QQ-S-763C
Orifice Plate 303 CRES QQ-S-763C
Shuttle Plate 303 CRES QQ-S-763C
Spring 302 CRES AMS 5688
Screen 304L CRES ASTM A 666
Braze --- AMS 4774
Finish: All CRES parts passivated.
Pins are prewaxed. Do not degrease. Do not lubricate.
Cross Section Views
Dimensional View
Installation Hole Details

Part Numbers & Specifications

This table below contains the part numbers and technical specifications for this product. If you have specific questions, need a quote, or would like to request a handbook or drawing, click the red request button in the column on the far right.

Part Numbers & Specifications
Filter Part Numbers
Tolerance
FREE FLOW DIRECTION
LEE PART NUMBER
Tolerance
FREE FLOW DIRECTION
METERED LOHM RATE FREE FLOW LOHM RATE (max.) NOMINAL SCREEN HOLE SIZE (in) Request Information
FCFA1875100D ±5% FORWARD 1000 470 0.008 Request
FCFA1875150D ±5% FORWARD 1500 470 0.008 Request
FCFA1875200D ±5% FORWARD 2000 470 0.008 Request
FCFA1875250D ±5% FORWARD 2500 470 0.008 Request
FCFA1875300D ±5% FORWARD 3000 470 0.008 Request
FCFA1875400D ±5% FORWARD 4000 470 0.008 Request
FCFA1875500D ±5% FORWARD 5000 470 0.006 Request
FCFA1875600D ±5% FORWARD 6000 470 0.006 Request
FCFA1875800D ±5% FORWARD 8000 470 0.004 Request
FCFA1875100H ±5% FORWARD 10000 470 0.004 Request
FCFA1875120H ±5% FORWARD 12000 470 0.004 Request
FCFA1875150H ±5% FORWARD 15000 470 0.004 Request
FCFA1875200H ±5% FORWARD 20000 470 0.004 Request
FCRA1875100D ±5% REVERSE 1000 470 0.008 Request
FCRA1875150D ±5% REVERSE 1500 470 0.008 Request
FCRA1875200D ±5% REVERSE 2000 470 0.008 Request
FCRA1875250D ±5% REVERSE 2500 470 0.008 Request
FCRA1875300D ±5% REVERSE 3000 470 0.008 Request
FCRA1875400D ±5% REVERSE 4000 470 0.008 Request
FCRA1875500D ±5% REVERSE 5000 470 0.006 Request
FCRA1875600D ±5% REVERSE 6000 470 0.006 Request
FCRA1875800D ±5% REVERSE 8000 470 0.004 Request
FCRA1875100H ±5% REVERSE 10000 470 0.004 Request
FCFA1875120H ±5% FORWARD 12000 470 0.004 Request
FCFA1875150H ±5% FORWARD 15000 470 0.004 Request
FCFA1875200H ±5% FORWARD 20000 470 0.004 Request
FCFA1870100D ±10% FORWARD 1000 470 0.008 Request
FCFA1870150D ±10% FORWARD 1500 470 0.008 Request
FCFA1870200D ±10% FORWARD 2000 470 0.008 Request
FCFA1870250D ±10% FORWARD 2500 470 0.008 Request
FCFA1870300D ±10% FORWARD 3000 470 0.008 Request
FCFA1870400D ±10% FORWARD 4000 470 0.008 Request
FCFA1870500D ±10% FORWARD 5000 470 0.006 Request
FCFA1870600D ±10% FORWARD 6000 470 0.006 Request
FCFA1870800D ±10% FORWARD 8000 470 0.004 Request
FCFA1870100H ±10% FORWARD 10000 470 0.004 Request
FCFA1870120H ±10% FORWARD 12000 470 0.004 Request
FCFA1870150H ±10% FORWARD 15000 470 0.004 Request
FCFA1870200H ±10% FORWARD 20000 470 0.004 Request
FCRA1870100D ±10% REVERSE 1000 470 0.008 Request
FCRA1870150D ±10% REVERSE 1500 470 0.008 Request
FCRA1870200D ±10% REVERSE 2000 470 0.008 Request
FCRA1870250D ±10% REVERSE 2500 470 0.008 Request
FCRA1870300D ±10% REVERSE 3000 470 0.008 Request
FCRA1870400D ±10% REVERSE 4000 470 0.008 Request
FCRA1870500D ±10% REVERSE 5000 470 0.006 Request
FCRA1870600D ±10% REVERSE 6000 470 0.006 Request
FCRA1870800D ±10% REVERSE 8000 470 0.004 Request
FCRA1870100H ±10% REVERSE 10000 470 0.004 Request
FCFA1870120H ±10% FORWARD 12000 470 0.004 Request
FCFA1870150H ±10% FORWARD 15000 470 0.004 Request
FCFA1870200H ±10% FORWARD 20000 470 0.004 Request
Clear Filters

Installation & Accessories

Replacement Parts & Accessories
PART NUMBER DESCRIPTION
CUTA1870104C Installation / Extraction Tool Set
JETA1870003A Replacement Pin

CAD Envelopes

CAD Envelope
Get in touch

Questions?

From plugs to solenoid valves, there’s a vast array of products that The Lee Company can offer. If you’d like to discuss the best solution for your specific application or to learn more about our capabilities, use-cases, or quality standards, contact your local Lee sales engineer.