Close Menu
Flow Metering Valves

250 High Pressure Flosert Flow Metering Valve

This miniature, pressure-compensating flow control valve is 0.250 inches in diameter and 1.38 inches in length. Ideal for high pressures, this valve provides a constant flow rate over a wide range of pressure differentials. Regulated flow rates are available from 0.01 to 0.1 GPM.

Key Product Facts
  • Type:Flosert
  • Diameter:0.250 inches
  • Regulated Flow Rate:0.01 - 0.1 gpm
  • Maximum Working Pressure:5000 psi

Product Information

General Performance
Characteristic Specification
Regulated Flow Tolerance +/-15%
Nominal System Pressure up to 5000 psi
Nominal Weight 6 grams
Materials
PART MATERIAL SPECIFICATION
Rear Body 304 CRES AMS 5639
Front Body 303 CRES QQ-S-763C
Seat 303 CRES QQ-S-763C
Screen Retainer 303 CRES QQ-S-763C
Spring Seat 303 CRES QQ-S-763C
Screens 316L CRES ASTM A 478 and ASTM A 666 or AMS 5653
Braze Silver Alloy AMS 4765
Piston 303 CRES QQ-S-763C
Internal Seal PTFE/302 CRES or MP35N -
Spring 17-7PH CRES AMS 5678
Metering Discs 17-7PH CRES AMS 5529
Visco Stack 304L CRES ASTM A 666
Shim, Spacers, Washers 303 CRES QQ-S-763C or ASTM A 666
Pin 17-4PH CRES AMS 5643
Finish: All CRES parts passivated.
Pins are prewaxed. Do not degrease. Do not lubricate.
Cross Section Views
Dimensional View
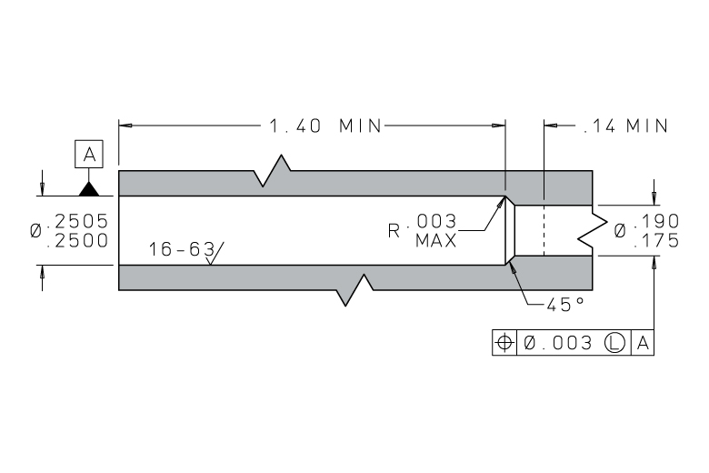
Installation Hole Details

Part Numbers & Specifications

This table below contains the part numbers and technical specifications for this product. If you have specific questions, need a quote, or would like to request a handbook or drawing, click the red request button in the column on the far right.

Part Numbers & Specifications
Filter Part Numbers
REGULATED FLOW DIRECTION
LEE PART NUMBER
REGULATED FLOW DIRECTION
REGULATED FLOW ON MIL-PRF-83282 at 85°F (GPM) FLOW REGULATION RANGE (psid) NOMINAL LOHM RATE NON REGULATING FLOW DIRECTION Request Information
FLFA2504510L FORWARD 0.1 500 - 5000 3500 Request
FLFA2504509L FORWARD 0.09 500 - 5000 3800 Request
FLFA2504508L FORWARD 0.08 500 - 5000 4300 Request
FLFA2504507L FORWARD 0.07 500 - 5000 4900 Request
FLFA2504506L FORWARD 0.06 500 - 5000 5800 Request
FLFA2504505L FORWARD 0.05 500 - 5000 6900 Request
FLFA2504504L FORWARD 0.04 500 - 5000 8600 Request
FLFA2504503L FORWARD 0.03 500 - 5000 12000 Request
FLFA2504502L FORWARD 0.02 500 - 5000 24000 Request
FLFA2504501L FORWARD 0.01 500 - 5000 41000 Request
FLRA2504510L REVERSE 0.1 500 - 5000 3500 Request
FLRA2504509L REVERSE 0.09 500 - 5000 3800 Request
FLRA2504508L REVERSE 0.08 500 - 5000 4300 Request
FLRA2504507L REVERSE 0.07 500 - 5000 4900 Request
FLRA2504506L REVERSE 0.06 500 - 5000 5800 Request
FLRA2504505L REVERSE 0.05 500 - 5000 6900 Request
FLRA2504504L REVERSE 0.04 500 - 5000 8600 Request
FLRA2504503L REVERSE 0.03 500 - 5000 12000 Request
FLRA2504502L REVERSE 0.02 500 - 5000 24000 Request
FLRA2504501L REVERSE 0.01 500 - 5000 41000 Request
Clear Filters

Installation & Accessories

Replacement Parts & Accessories
PART NUMBER DESCRIPTION
CUTA250116C Installation / Extraction Tool Set
CHFA2500003A Replacement Pin
Get in touch

Questions?

From plugs to solenoid valves, there’s a vast array of products that The Lee Company can offer. If you’d like to discuss the best solution for your specific application or to learn more about our capabilities, use-cases, or quality standards, contact your local Lee sales engineer.