Close Menu
Plugs

250 MP35N Dual Sealing A.F.O.® Plug

This thread-retained plug is designed to apply axial force only on the installation hole, making it ideal for sealing holes with thin walls. This NACE-compliant solution uses a metal-to-metal seal for high pressure applications and incorporates an O-ring for venting or charging. Pressure can be vented out of a side port to remove air from a hydraulic system or safely release trapped gas. A.F.O. plugs are both removable and reusable, providing easy access to sealed passageways.

Key Product Facts
  • Plug Diameter:0.250 inches
  • Max. Sealable Passageway Diameter:0.130 inches
  • Proof Pressure:22,500 psi
  • Plug Material:MP35N
  • Housing Material:Inconel, Monel, MP35N, or Titianium

Product Information

General Performance
 Stainless Steel AISI 8630 Aluminum
Open 1.5 1.5 1.5
Closed 22.5 22.5 20
Proof Pressure (psi x 1000)
Materials
PART MATERIAL
Threaded Body MP35N
Nose MP35N
O-Ring FKM
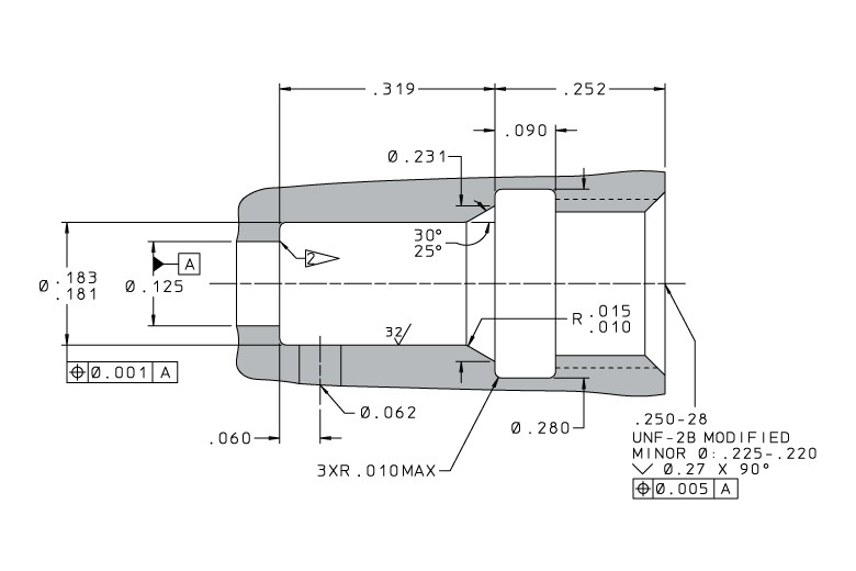
Dimensional Views & Installation Hole Details

For dimensions, please refer to the Part Numbers & Specifications tab.

Part Numbers & Specifications

This table below contains the part numbers and technical specifications for this product. If you have specific questions, need a quote, or would like to request a handbook or drawing, click the red request button in the column on the far right.

Image Specifications
Dimensional View
Installation Hole Details
Part Numbers & Specifications
Part Number A Min. A Max. B Thread C Ref. D Nom. E Nom. F Nom. G Nom. H Max. I Nom. J Min. J Max. K Hex. Request Information
PLAA2528111A 0.12 0.13 0.250-28 0.593 0.252 0.09 0.319 0.06 0.067 0.28 0.226 0.236 0.125 Request
All dimensions are in inches. This information is for reference only.

Installation & Accessories

Installation & Manufacturing Tools
Replacement Parts & Accessories
Coining Tool Part Number Required Tool Rotation (Ref) Coining Torque (Aluminum Housing) Installation Torque (Aluminum Housing) (Ref) Coining Torque (Steel/AISI 8630 Housing) Installation Torque (Steel/AISI 8630 Housing)
CUTA2500263A 175° +/- 35° 30 in-lbs 25 in-lbs 71 in-lbs 55 in-lbs

CAD Envelopes

Get in touch

Questions?

From plugs to solenoid valves, there’s a vast array of products that The Lee Company can offer. If you’d like to discuss the best solution for your specific application or to learn more about our capabilities, use-cases, or quality standards, contact your local Lee sales engineer.