Close Menu
Additional Products

281 PRI®/Check Valve

This valve combines the function of a reverse flow pressure relief valve in parallel with that of a check valve with free flow in the forward direction – all into in one easy-to-install insert. The relief valve function features a rugged tungsten carbide ball and a 440C seat for durability and long life. The remaining components are constructed entirely of stainless steel. The 281 PRI/Check Valve is available with or without integral safety screens in a range of 15 different relief flow cracking pressures for system pressures up to 5000 psi.

Key Product Facts
  • PRI/Check
  • Diameter:0.281 inches
  • Relief Flow Lohm Rate:220 or 1500
  • Free Flow Lohm Rate:300 or 550 Lohms
  • Relief Cracking Pressure Range:625 to 6600 psid

Product Information

General Performance
Characteristic Specification
Relief Flow Direction:
Leakage at Minimum Cracking Pressure
10 drops/minute maximum
Relief Flow Direction:
Leakage at Minimum Shutoff Pressure
10 drops/minute maximum
Free Flow Direction:
Cracking Pressure
5 ± 3 psid
Nominal System Pressure up to 5000 psi
System Peak Pressure 6750 psi maximum
Nominal Weight, Screened 9.0 grams
Nominal Weight, Unscreened 8.0 grams
Screen Hole Size 0.008" Nominal
Valve performance on MIL-PRF-83282 or MIL-PRF-5606 at 85°F±15°F.
Materials
PART MATERIAL SPECIFICATION
Shuttle Plate 303 CRES QQ-S-763C
Seat 440C CRES AMS 5630
Spring Seat 303 CRES QQ-S-763C
Springs 17-7PH CRES AMS 5678
Body 15-5PH CRES AMS 5659
Ball Follower 303 CRES QQ-S-763C
Tube 17-4PH CRES or
304 CRES
AMS 5643
AMS 5639
Ball Tungsten Carbide -
Pin 15-5PH CRES AMS 5659
Screens 15-5PH CRES AMS 5659
Finish: All CRES Parts Passivated
Pins are prewaxed. Do not degrease. Do not lubricate.
Flow Curve
Cross Section Views
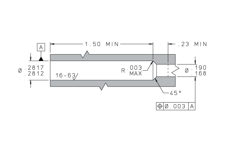
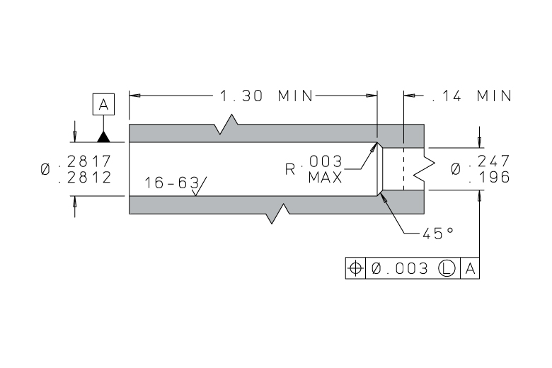
Dimensional Views
Installation Hole Details

Part Numbers & Specifications

This table below contains the part numbers and technical specifications for this product. If you have specific questions, need a quote, or would like to request a handbook or drawing, click the red request button in the column on the far right.

Part Numbers & Specifications
Filter Part Numbers
SCREEN
FLOW POINT - MAXIMUM LOHM RATE
PART NUMBER
SCREEN
MINIMUM CRACKING PRESSURE (psid)
FLOW POINT - MAXIMUM LOHM RATE
FLOW POINT - MINIMUM FLOW (gpm) FLOW POINT - PRESSURE DIFFERENTIAL (psid) IMIMUM SHUTOFF PRESSURE (psid) Request Information
PFRA2810500L Unscreened 500 220 2.4 625 425 Request
PFRA2810100D Unscreened 1000 220 3.4 1250 850 Request
PFRA2810120D Unscreened 1200 220 3.7 1500 1025 Request
PFRA2810200D Unscreened 2000 220 4.8 2500 1700 Request
PFRA2810220D Unscreened 2200 220 5 2750 1850 Request
PFRA2810240D Unscreened 2400 220 5.2 3000 2050 Request
PFRA2810300D Unscreened 3000 220 5.9 3750 2550 Request
PFRA2810320D Unscreened 3200 280 4.8 4000 2700 Request
PFRA2810360D Unscreened 3600 280 5.1 4500 3050 Request
PFRA2815500L Screened 500 350 1.5 625 425 Request
PFRA2815100D Screened 1000 350 2.2 1250 850 Request
PFRA2815120D Screened 1200 350 2.4 1500 1025 Request
PFRA2815200D Screened 2000 350 3.1 2500 1700 Request
PFRA2815220D Screened 2200 350 3.2 2750 1850 Request
PFRA2815240D Screened 2400 350 3.4 3000 2050 Request
PFRA2815300D Screened 3000 1500 0.9 3600 2850 Request
PFRA2815320D Screened 3200 1500 0.9 3850 3000 Request
PFRA2815340D Screened 3400 1500 0.95 4050 3200 Request
PFRA2815420D Screened 4200 1500 1 4750 3700 Request
PFRA2815450D Screened 4500 1500 1 5100 4000 Request
PFRA2815470D Screened 4700 1500 1.1 5300 4200 Request
PFRA2815520D Screened 5200 1500 1.1 5800 4550 Request
PFRA2815570D Screened 5700 1500 1.2 6350 5000 Request
PFRA2815590D Screened 5900 1500 1.2 6600 5200 Request
Clear Filters
Performance in Relief Flow Direction

Installation & Accessories

Replacement Parts & Accessories
Part Number Description
CUTA2810114C Installation / Extraction Tool Set
SHBA2810003A Replacement Pin
Get in touch

Questions?

From plugs to solenoid valves, there’s a vast array of products that The Lee Company can offer. If you’d like to discuss the best solution for your specific application or to learn more about our capabilities, use-cases, or quality standards, contact your local Lee sales engineer.