Close Menu
Nozzles

343 Aluminum Lubrication Jet

This aluminum lubrication jet generates a straight, well-defined stream of fluid to a predetermined target with differential pressures of 10 to 200 psid. It is ideal for directing streams of lubricating oil at critical bearings, cooling oil at meshing gears. Aluminum Lubrication Jets are offered with a ± 15% tolerance and are available in a Lohm range from 450 to 7900 Lohms.

Key Product Facts
  • Type:Lubrication Nozzle
  • Metered Flow Range:200 to 7900 Lohms
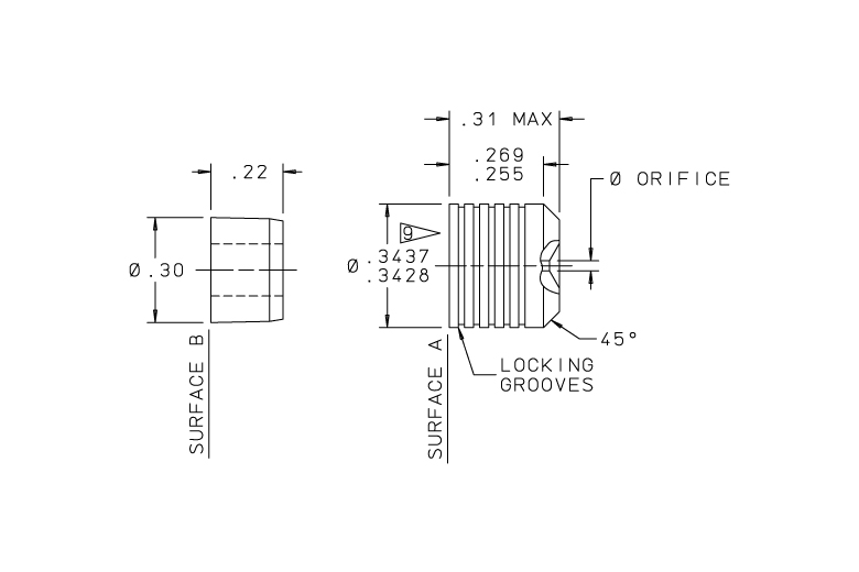
  • Diameter:0.343 inches
  • Screened:No

Product Information

General Performance
Characteristic Specification
Lohm Rate Tolerance ± 15%
Differential Pressure (Recommended) 10-200 psid
Maximum Working Pressure 1500 psid
Flow to hit 0.25" diameter target at 2" distance 90%
Nominal Weight 0.51 grams
Materials
PART MATERIAL SPECIFICATION
Body 7075-T6 Al QQ-A-225
Pin 7075-T6 Al QQ-A-225
FINISH: Insert: Anodize Clear/MIL-A-8625, Pin: Alodine Yellow/MIL-C-5541. Coating: Wax
Cross Section View
Dimensional View
Installation Hole Details

Part Numbers & Specifications

This table below contains the part numbers and technical specifications for this product. If you have specific questions, need a quote, or would like to request a handbook or drawing, click the red request button in the column on the far right.

Part Numbers & Specifications
PART NUMBER LOHM RATE ±15% Orifice Reference (inches) Request Information
JELA3420200L 200 Lohms 0.07 Request
JELA3420250L 250 Lohms 0.06 Request
JELA3420350L 350 Lohms 0.051 Request
JELA3420450L 450 Lohms 0.045 Request
JELA34206000L 600 Lohms 0.039 Request
JELA3420800L 800 Lohms 0.034 Request
JELA3420105D 1050 Lohms 0.029 Request
JELA3420135D 1350 Lohms 0.025 Request
JELA3420175D 1750 Lohms 0.022 Request
JELA3420225D 2250 Lohms 0.019 Request
JELA3420295D 2950 Lohms 0.017 Request
JELA3420385D 3850 Lohms 0.015 Request
JELA3420500D 5000 Lohms 0.013 Request
JELA3420650D 6500 Lohms 0.011 Request
JELA3420790D 7900 Lohms 0.01 Request

Installation & Accessories

Replacement Parts & Accessories
Part Number Description
CUTA3430801C Installation / Extraction Tool Set
Not Reusable Replacement Pin

CAD Envelopes

Get in touch

Questions?

From plugs to solenoid valves, there’s a vast array of products that The Lee Company can offer. If you’d like to discuss the best solution for your specific application or to learn more about our capabilities, use-cases, or quality standards, contact your local Lee sales engineer.