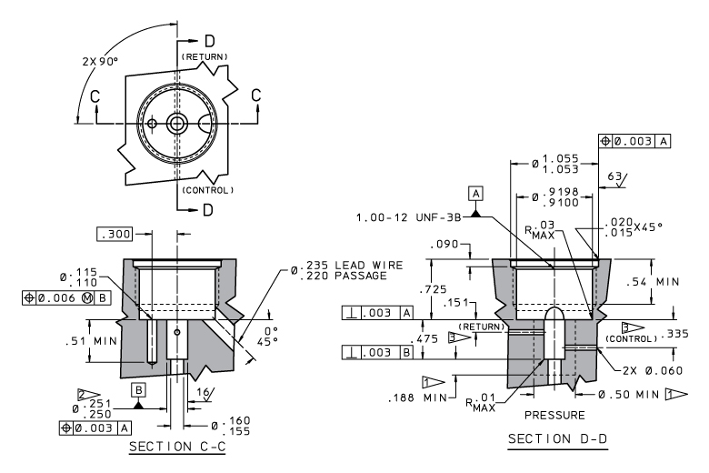
The 360° Ported Dual-Coil Solenoid Valve utilizes a unique MultiSeal® design that provides 360° porting flexibility in exchange for a reduction in flow capacity. It also incorporates an additional coil to provide electrical redundancy for added safety. As a result, the package size and weight are slightly increased when compared to the single-coil configuration. The MultiSeal technology eliminates the use of O-rings, offering significant space and weight savings. The valve’s innovative coil design provides low power consumption and fast response times.
| CHARACTERISTIC | SPECIFICATION |
|---|---|
| Operating Pressure | 3000 psid |
| Operating Ambient Temperature | -65°F to 275°F |
| Operating Fluid Temperature | -65°F to 275°F |
| Internal Leakage | 1 cc / Minute Max at Rated Pressure |
| External Leakage | 0 cc |
| Lohm Rate | 3500 Lohms |
| Current Drain | 0.35 amps at 28 VDC at 70°F (9.8 Watts) |
| Max Operating Voltage | 32 VDC |
| Resistance | 73.6 - 86.4 Ohms at 70°F |
| Pull-In Voltage | 18 VDC Max at 275°F and 3000 psi to Either Coil |
| Dropout Voltage | 1 VDC Min at 70°F and 3000 psi with Both Coils Energized |
| Pull-In Response Time (28 VDC at 70°F and Rated Pressure) |
0.035 Seconds Max |
| Dropout Response Time (28 VDC at 70°F and Rated Pressure) |
0.035 Seconds Max |
| Nominal Screen Hole Size | 0.004 inches |
| Weight | 0.21 lbs Max |
| Wetted Parts | |||
| Part | Material | Specification | Finish |
| Filter Screen | 304L CRES | ASTM A666 | Passivated |
| MultiSeal | Polyamide-Imide | AMS 3670 | – |
| Body and Ball Seat | 15-5 PH CRES | AMS 5659 | Passivated |
| Ball and Pin | 440C CRES | AMS 5630 | Passivated |
| Shaft | 440C CRES | AMS-QQ-S-763 | Passivated |
| Spring | 302 CRES | AMS 5688 | Passivated |
| Plug and Pushrod | 303 CRES | QQ-S-763C | Passivated |
| Flanges and Plungers | Si Iron BFM | ASTM A867 | Nickel Plate / AMS 2404 |
| Shunt | 22-13-5 CRES | AMS 5764 | Nickel Plate / AMS 2404 |
| Shims and Spacers | 302 CRES | ASTM A666 | Passivated |
| Braze | Silver Alloy | AMS 4774 | Nickel Plate / AMS 2404 |
| Non-Wetted Parts | |||
| Part | Material | Specification | Finish |
| Cover | Si Iron BFM | ASTM A867 | Nickel Plate / AMS 2404 |
| Retainer | 2024 T-351 AL | AMS-QQ-A-225 / 6 |
Anodize / MIL-PRF-8625 Type II
|
| Retaining Ring | 302 CRES | ASTM A313 / A313M | Passivated |
| Coil | Copper Magnet Wire | NEMA MW1000 / MW16 | – |
| Coil Separator | Aramid | ANSI NEMA FI 3 | – |
| Shrink Tube | PVDF and PTFE | AMS-DTL-23053 / 8 & / 12 | – |
| Insulation Tape | Polyimide | ASTM D5213 | – |
| Solder | Sb05A | J-STD-006 | – |
| Potting Compound | Stycast 2762FT, Catalyst 17 | – | – |
| Lead Wire | 22 AWG | SAE AS22759 / 11 | – |
This table below contains the part numbers and technical specifications for this product. If you have specific questions, need a quote, or would like to request a handbook or drawing, click the red request button in the column on the far right.
| Part Number | Description |
|---|---|
| CUTA2500221B | MultiSeal Extraction Tool |
| SDBB2530108A | Replacement MultiSeal |
| CUTA2500121A | Test Fixture |
From plugs to solenoid valves, there’s a vast array of products that The Lee Company can offer. If you’d like to discuss the best solution for your specific application or to learn more about our capabilities, use-cases, or quality standards, contact your local Lee sales engineer.
Your download has started.
We’re always ready to be your engineering partner. Fill out this form below so we can provide the solution you need.
We have received your inquiry and a member of our team will be in contact shortly to provide more information. Thank you for contacting The Lee Company!
The Lee Company has developed the Lohm Laws for defining and measuring resistance to fluid flow. The Lohm is defined such that 1 Lohm will flow 100 GPM of water with a pressure drop of 25 psi at a temperature of 80°F.
Always verify flow calculations by experiment.
*There are many parameters to consider when determining V-Factor. Click here for more information.