Close Menu
Check Valves

375 High Pressure Check Valve

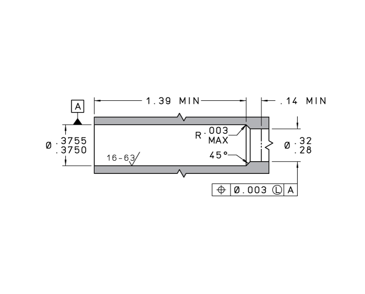
This miniature, high pressure check valve is only 0.375 inches in diameter and 1.37 inches in length. Its robust design prevents backflow in high pressure systems up to 8000 psi. It is ideal for applications with flow rates up to 11 GPM.

Key Product Facts
  • Poppet-Style Check Valves
  • Diameter:0.375 inches
  • Lohm Rate:27 Lohms max
  • Operating Pressures:Up to 8000 psi
  • Leakage:1 drop / hour at 8000 psi

Product Information

General Performance
Characteristic Specification
Cracking Pressure 5 ± 3 psid or 1 ± 0.5 psid
Maximum Leakage in Checked Direction at 5 psid 1 Drop / Minute
Maximum Leakage in Checked Direction at 1000-8000 psid 1 Drop / Hour
Lohm Rate at 15 psid and Greater 27 Lohms Maximum
Nominal System Pressure Up to 8000 psi
Nominal Weight 13 grams
Test Fluid MIL-PRF-83282 at 85°F
Materials
PART MATERIAL SPECIFICATION
Body 304 CRES AMS 5639
Pin 17-4PH CRES AMS 5643
Poppet 15-5PH CRES AMS 5659
Spring 17-7PH CRES AMS 5678
Spring Seat 304 CRES AMS 5639
Finish: All CRES parts passivated.
Pins are prewaxed. Do not degrease. Do not lubricate.
Flow Curve
Cross Section Views
Dimensional View
Installation Hole Details

Part Numbers & Specifications

This table below contains the part numbers and technical specifications for this product. If you have specific questions, need a quote, or would like to request a handbook or drawing, click the red request button in the column on the far right.

Part Numbers & Specifications
PART NUMBER CRACKING PRESSURE (psid) LOHM RATE FLOW DIRECTION Request Information
CHFA3756505A 5 ± 3 27 Lohms Maximum Forward Request
CHFA3756501A 1 ± 0.5 27 Lohms Maximum Forward Request
CHRA3756505A 5 ± 3 27 Lohms Maximum Reverse Request
CHRA3756501A 1 ± 0.5 27 Lohms Maximum Reverse Request

Installation & Accessories

Replacement Parts & Accessories
PART NUMBER DESCRIPTION
CUTA3750306C Installation / Extraction Tool Set
PHRA3750003A Replacement Pin

CAD Envelopes

Get in touch

Questions?

From plugs to solenoid valves, there’s a vast array of products that The Lee Company can offer. If you’d like to discuss the best solution for your specific application or to learn more about our capabilities, use-cases, or quality standards, contact your local Lee sales engineer.