Close Menu
Additional Products

375 PRI®/Check Valve

This valve combines the function of a reverse flow pressure relief valve in parallel with that of a check valve with free flow in the forward direction — all in one easy-to-install insert. The relief valve function features a rugged tungsten carbide ball and a 440C seat for durability and long life. The remaining components are constructed entirely of stainless steel. The 375 PRI/Check Valve is available in a range of seven different relief flow cracking pressures for system pressures up to 5000 psi.

Key Product Facts
  • PRI/Check
  • Diameter:0.375 inches
  • Relief Flow Lohm Rate:400 Lohms max.
  • Free Flow Lohm Rate:220 Lohms max.
  • Relief Cracking Pressure Range:3000 to 5400 psid

Product Information

General Performance
Characteristic Specification
Relief Flow Direction:
Leakage at Minimum Cracking Pressure
2 mL/minute maximum
Relief Flow Direction:
Leakage at Minimum Shutoff Pressure
2 mL/minute maximum
Relief Flow Direction:
Restriction at Min. Recommended Valve Lift
1500 Lohms
Relief Flow Direction:
Flow Point Lohm Rate
400 Lohms
Free Flow Direction:
Cracking Pressure
5 ± 3 psid
Free Flow Direction:
Lohm Rate at 25 psid and Greater
220 Lohms maximum
Nominal System Pressure up to 5000 psi
System Peak Pressure 6750 psi maximum
Nominal Weight 24 grams
Valve performance on MIL-PRF-83282 or MIL-PRF-5606 at 85°F±15°F.
Materials
PART MATERIAL SPECIFICATION
Shuttle Plate 304 CRES AMS 5639
Seat 440C CRES AMS 5630
Spring Seat 15-5PH CRES AMS 5659
Springs 17-7PH CRES AMS 5678
Retainer 15-5PH CRES AMS 5659
Shim 17-7PH CRES AMS 5529
Body 304 CRES AMS 5639
Ball Follower 304 CRES AMS 5639
Tube 13-8 MO CRES AMS 5629
Ball Tungsten Carbide -
Orifice Plate 304 CRES AMS 5639
Pin 17-4PH CRES AMS 5643
Finish: All CRES Parts Passivated
Pins are prewaxed. Do not degrease. Do not lubricate.
Flow Curve
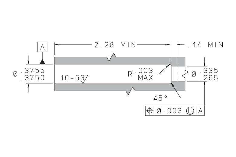
Cross Section View
Dimensional View
Installation Hole Details

Part Numbers & Specifications

This table below contains the part numbers and technical specifications for this product. If you have specific questions, need a quote, or would like to request a handbook or drawing, click the red request button in the column on the far right.

Part Numbers & Specifications
PART NUMBER MINIMUM CRACKING PRESSURE (psid) FLOW POINT - MAXIMUM LOHM RATE FLOW POINT - MINIMUM FLOW (gpm) FLOW POINT - PRESSURE DIFFERENTIAL (psid) IMIMUM SHUTOFF PRESSURE (psid) Request Information
PFRA3750300D 3000 400 3.7 3850 2850 Request
PFRA3750320D 3200 400 3.8 4050 3000 Request
PFRA3750340D 3400 400 3.9 4250 3200 Request
PFRA3750420D 4200 400 4 5250 4000 Request
PFRA3750440D 4400 400 4.1 5400 4200 Request
PFRA3750520D 5200 400 4.9 6550 5000 Request
PFRA3750540D 5400 400 5 6750 5200 Request
Performance in Relief Flow Direction

Installation & Accessories

Replacement Parts & Accessories
Part Number Description
CUTA3750514C Installation / Extraction Tool Set
PHRA3750003A Replacement Pin

CAD Envelopes

Get in touch

Questions?

From plugs to solenoid valves, there’s a vast array of products that The Lee Company can offer. If you’d like to discuss the best solution for your specific application or to learn more about our capabilities, use-cases, or quality standards, contact your local Lee sales engineer.