Close Menu
Check Valves

500 Hi-Q Insert Check Valve

This high flow check valve is only 0.500 inches in diameter and 1.1 inches in length. Its unique design maximizes the free flow in a very short, compact package.. The valve is ideal for applications with flow rates up to 22 GPM.

Key Product Facts
  • Poppet-Style Check Valves
  • Diameter:0.5 inches
  • Lohm Rate:14 Lohms max
  • Operating Pressures:Up to 4000 psi
  • Leakage:1 drop / hour at 4000 psi

Product Information

General Performance
Characteristic Specification
Maximum Leakage in Checked Direction at 5 psid 1 Drop / Minute
Maximum Leakage in Checked Direction at 1000-4000 psid 1 Drop / Hour
Lohm Rate at 15 psid and Greater 14 Lohms Maximum
Nominal System Pressure Up to 4000 psi
Nominal Weight 9 grams
Test Fluid MIL-PRF-83282 at 85°F
Materials
PART MATERIAL SPECIFICATION
Body, Front 15-5PH CRES AMS 5659
Body, Rear (Reverse Flow Version Only) 304 CRES AMS 5639
Poppet 440C CRES AMS 5630
Spring 17-7PH CRES AMS 5678
Cage 304 CRES ASTM A 666
Pin 15-5PH CRES AMS 5659
Finish: All CRES parts passivated.
Pins are prewaxed. Do not degrease. Do not lubricate.
Flow Curve
Cross Section Views
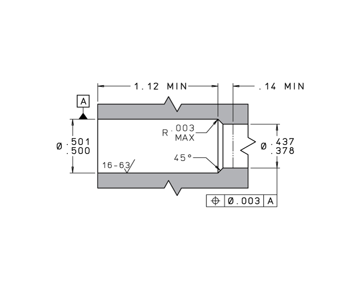
Dimensional View
Installation Hole Details

Part Numbers & Specifications

This table below contains the part numbers and technical specifications for this product. If you have specific questions, need a quote, or would like to request a handbook or drawing, click the red request button in the column on the far right.

Part Numbers & Specifications
PART NUMBER CRACKING PRESSURE (psid) LOHM RATE FLOW DIRECTION Request Information
CKFA5006401A 1.5 Maximum 14 Lohms Maximum Forward Request
CKRA5006401A 1.5 Maximum 14 Lohms Maximum Reverse Request
CKFA5006405A 5 ± 3 14 Lohms Maximum Forward Request
CKRA5006405A 5 ± 3 14 Lohms Maximum Reverse Request

Installation & Accessories

Replacement Parts & Accessories
PART NUMBER DESCRIPTION
CUTA5000306C Installation / Extraction Tool Set
CKFA5000003A Replacement Pin

CAD Envelopes

Get in touch

Questions?

From plugs to solenoid valves, there’s a vast array of products that The Lee Company can offer. If you’d like to discuss the best solution for your specific application or to learn more about our capabilities, use-cases, or quality standards, contact your local Lee sales engineer.