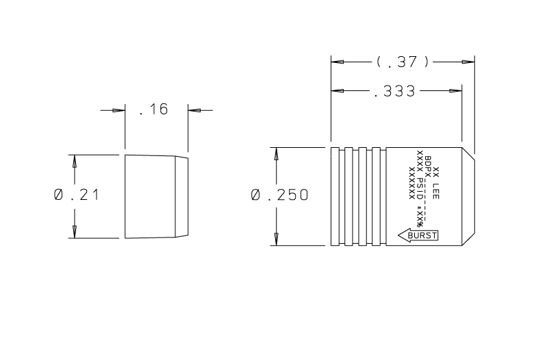
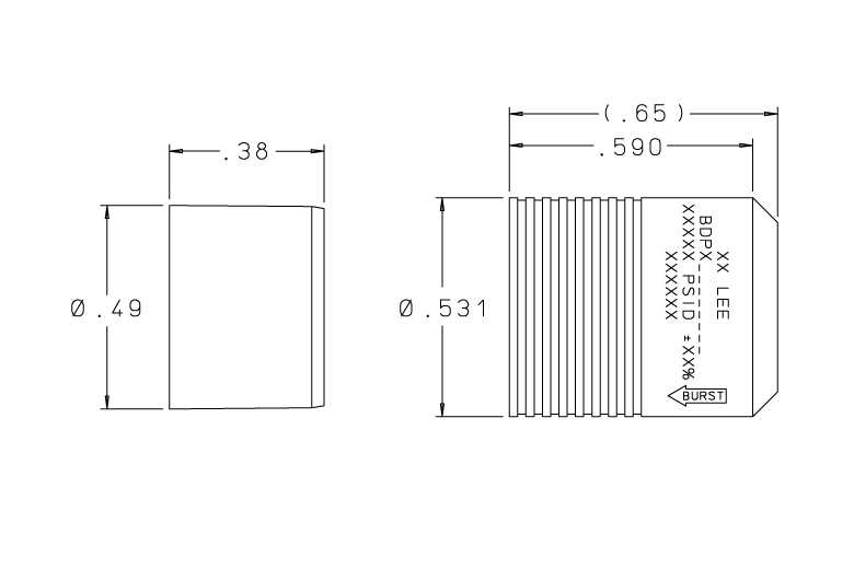
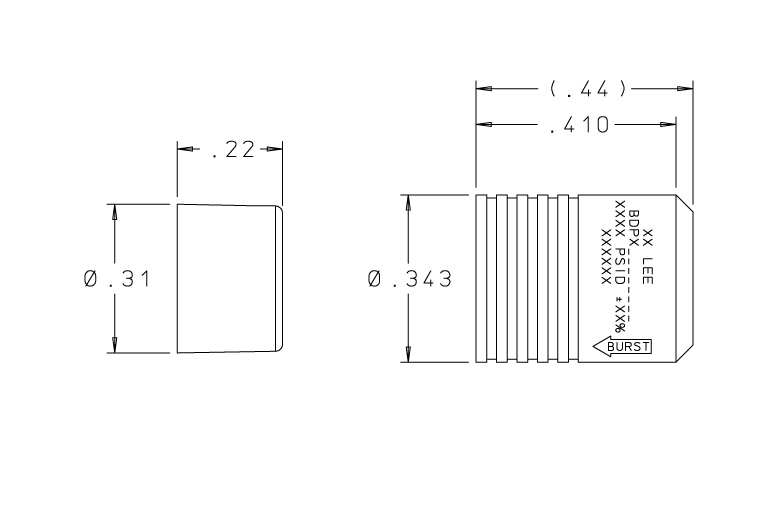
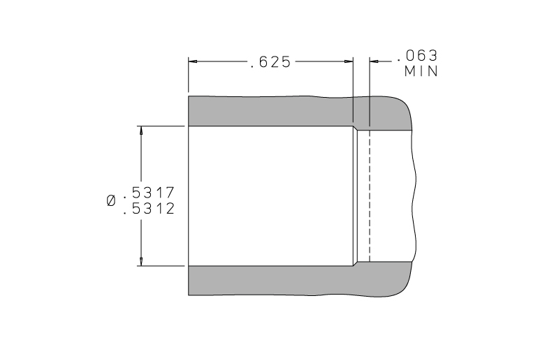
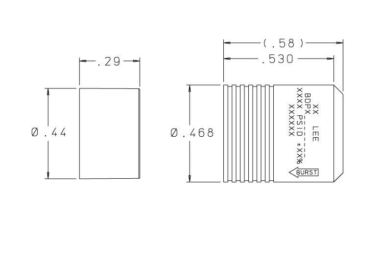
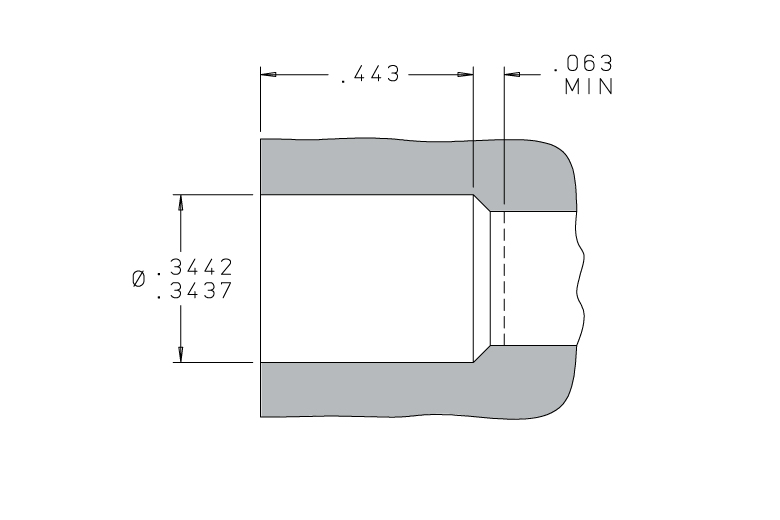
This single-use isolation device provides reliable, high pressure relief in a leak-tight and corrosion- resistant package. It is designed to seal a passageway or volume until the rated burst pressure is exceeded. At that point, the disc in the plug ruptures, creating a flow passage as large as Ø.25″ (12 Lohms) to relieve the excess pressure or allow flow to/or from the isolated system. The Lee Burst-Sert Rupture Disc incorporates our field-proven controlled expansion principle to prevent bypass leakage and provide secure retention without the use of threads or elastomeric seals.
| Characteristic | Specification |
|---|---|
| Burst Pressures | 3000 - 15,000 psid |
| Tolerance | ±10% of rated burst pressure |
| Operating pressure | up to 70% of burst pressure |
| Operating temperature | up to 392°F (200°C) |
| Burst direction** | Forward or Reverse direction |
From plugs to solenoid valves, there’s a vast array of products that The Lee Company can offer. If you’d like to discuss the best solution for your specific application or to learn more about our capabilities, use-cases, or quality standards, contact your local Lee sales engineer.
Your download has started.
We’re always ready to be your engineering partner. Fill out this form below so we can provide the solution you need.
We have received your inquiry and a member of our team will be in contact shortly to provide more information. Thank you for contacting The Lee Company!
The Lee Company has developed the Lohm Laws for defining and measuring resistance to fluid flow. The Lohm is defined such that 1 Lohm will flow 100 GPM of water with a pressure drop of 25 psi at a temperature of 80°F.
Always verify flow calculations by experiment.
*There are many parameters to consider when determining V-Factor. Click here for more information.