Close Menu
Nozzles

Reverse Lubrication Jet, Screened

This lubrication jet generates a straight, well-defined stream of fluid to a predetermined target with differential pressures of 10 to 200 psid. It is ideal for directing streams of lubricating oil at critical bearings, cooling oil at meshing gears, or fuel at the inside of vaporizing tubes in aircraft combustion chambers. Reverse Screened Lubrication Jets are offered with a ± 10% tolerance and are available in a Lohm range from 550 to 2000 Lohms. An integrated safety screen is included for protection against rogue particles in the reverse flow direction.

Key Product Facts
  • Type:Lubrication Nozzle
  • Metered Flow Range:550 to 2000 Lohms
  • Diameter:0.187 inches
  • Screened:Yes

Product Information

General Performance
Characteristic Specification
Lohm Rate Tolerance ± 10%
Differential Pressure (Recommended) 10-200 psid
Flow to hit 0.25" diameter target at 2" distance 90%
Nominal Weight 1.2 grams
Materials
PART MATERIAL SPECIFICATION
Body 303 CRES QQ-S-763C
Pin 17-4PH CRES AMS 5643
Screen 304L CRES ASTM A 666
Base Washer 304L CRES ASTM A 666
Braze AMS 4774
Finish: All CRES Parts Passivated
Pins are prewaxed. Do not degrease. Do not lubricate.
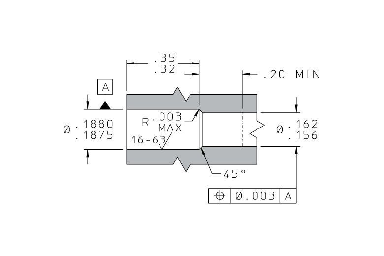
Cross Section View
Dimensional View
Installation Hole Details

Part Numbers & Specifications

This table below contains the part numbers and technical specifications for this product. If you have specific questions, need a quote, or would like to request a handbook or drawing, click the red request button in the column on the far right.

Part Numbers & Specifications
PART NUMBER LOHM RATE ±10% NOMINAL SCREEN HOLE SIZE (in) RERFERENCE FLOW RATE MIL-L-7808 @ 25 psid & 200°F (pph) Request Information
JELA1803550L 550 Lohms 0.015 80 Request
JELA1803750L 750 Lohms 0.015 60 Request
JELA1803100D 1000 Lohms 0.008 45 Request
JELA1803130D 1300 Lohms 0.008 35 Request
JELA1803160D 1600 Lohms 0.008 30 Request
JELA1803200D 2000 Lohms 0.008 25 Request

Installation & Accessories

Replacement Parts & Accessories
Part Number Description
CUTA1870104C Installation / Extraction Tool Set
JETA1870003A Replacement Pin

CAD Envelopes

Get in touch

Questions?

From plugs to solenoid valves, there’s a vast array of products that The Lee Company can offer. If you’d like to discuss the best solution for your specific application or to learn more about our capabilities, use-cases, or quality standards, contact your local Lee sales engineer.