Close Menu
Nozzles

Lee Spin Jet® Nozzle

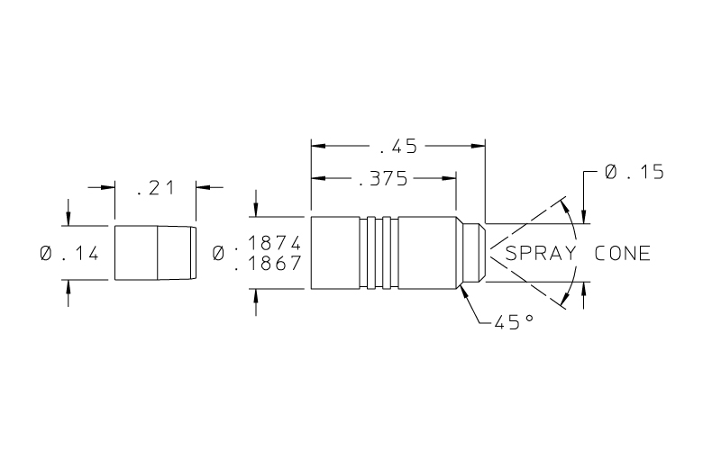
This nozzle utilizes unique vortices and flow passages to provide a finely atomized, hollow cone spray pattern. When used with most fuels, Lee Spin Jets produce a 70° cone angle spray with differential pressure ranging from 50 to 200 psi. For liquids with surface tension between 0.002 and 0.005 lb/ft, the resulting droplet size is typically less than 150 microns. Four convenient part numbers are available, spanning from 6000 to 18,000 Lohms. Each nozzle is equipped with a safety screen to protect against rogue particles.

Key Product Facts
  • Type:Atomizing Nozzle
  • Metered Flow Range:6000 to 18,000 Lohms
  • Diameter:0.187 inches
  • Screened:Yes

Product Information

General Performance
Characteristic Specification
Lohm Rate Tolerance ± 10%
Differential Pressure (Recommended) 50-200 psid
Maximum Working Pressure 200 psid
Spray Cone Angle (Nominal) 70°
Nominal Weight 1.2 grams
Materials
PART MATERIAL SPECIFICATION
Body 303 CRES QQ-S-763C
Pin 303 CRES QQ-S-763C
Spin Insert 303 CRES QQ-S-763C
Screen 304L CRES ASTM A 666
Base Washer 304L CRES ASTM A 666
Braze AWS A5.8 BNi-7
Finish: All CRES Parts Passivated
Pins are prewaxed. Do not degrease. Do not lubricate.
Cross Section View
Dimensional View
Installation Hole Details

Part Numbers & Specifications

This table below contains the part numbers and technical specifications for this product. If you have specific questions, need a quote, or would like to request a handbook or drawing, click the red request button in the column on the far right.

Part Numbers & Specifications
PART NUMBER LOHM RATE MIN. PASSAGE SIZE (in) NOMINAL SCREEN HOLE SIZE (in) RERFERENCE FLOW RATE MIL-C-7024 TYPE II @ 50 psid & 80°F (pph) Request Information
NZSA1801600D 6000 Lohms 0.011 0.008 10 Request
NZSA1801900D 9000 Lohms 0.009 0.006 7 Request
NZSA1801120H 12,000 Lohms 0.006 0.004 5 Request
NZSA1801180H 18,000 Lohms 0.007 0.004 3.5 Request

Installation & Accessories

Replacement Parts & Accessories
Part Number Description
CUTA1870104C Installation / Extraction Tool Set
JETA1870003A Replacement Pin

CAD Envelopes

Get in touch

Questions?

From plugs to solenoid valves, there’s a vast array of products that The Lee Company can offer. If you’d like to discuss the best solution for your specific application or to learn more about our capabilities, use-cases, or quality standards, contact your local Lee sales engineer.