Close Menu
Safety Screen Filters

1301 Flange Mount Safety Screen Filter

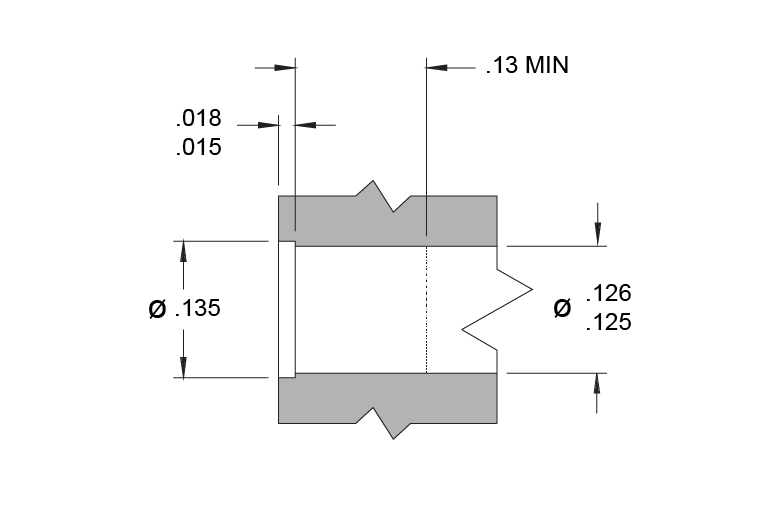
This drilled last chance filter is designed to handle high pressures. With a simple, economical, one-piece construction machined entirely out of 303 CRES, This filter is rated with burst and collapse pressures up to 3000 psid. The compact flange is 0.130 of an inch in diameter and is available in two hole size options: 380 and 500 microns.

Key Product Facts
  • Mounting Configuration:Flange Mount
  • Lohm Rate:250 Lohms
  • Micron Rating:380 or 510 microns
  • Part Diameter:0.130 inches
  • Screenable Passageway Diameter:0.126 inches

Product Information

Materials
PART MATERIAL SPECIFICATION
Screen 303 CRES QQ-S-763C
Finish: All CRES Parts Passivated
Flow Curve
Dimensional View
Installation Hole Details

Part Numbers & Specifications

This table below contains the part numbers and technical specifications for this product. If you have specific questions, need a quote, or would like to request a handbook or drawing, click the red request button in the column on the far right.

Part Numbers & Specifications
PART NUMBER LOHM RATE (nominal) MINIMUM BURST PRESSURE (psid) MINIMUM COLLAPSE PRESSURE (psid) ROB NUMBER NOMINAL SCREEN HOLE SIZE (in) NOMINAL SCREEN HOLE SIZE (μm) SCREEN OPEN AREA (in2) TOTAL SCREEN AREA (in2) NUMBER OF HOLES Request Information
FSJA1301150A 250 3000 3000 7.9 0.015 380 0.005 0.026 27 Request
FSJA1301200A 250 3000 3000 32 0.02 510 0.009 0.026 27 Request
Get in touch

Questions?

From plugs to solenoid valves, there’s a vast array of products that The Lee Company can offer. If you’d like to discuss the best solution for your specific application or to learn more about our capabilities, use-cases, or quality standards, contact your local Lee sales engineer.