Close Menu
Plugs

9 mm Short Betaplug®

This pre-assembled aluminum tapered expansion plug is engineered to seal fluid passages in metal castings, creating a leak-tight seal without the use of threads, O-rings, or sealants. Its unique tapered design eliminates the need for tight manufacturing tolerances and allows designers to minimize the wall thickness around the plug, even for brittle housing materials. The pre-assembled plug facilitates a reliable automated or manual installation process. It is ideal for high volume applications.

Key Product Facts
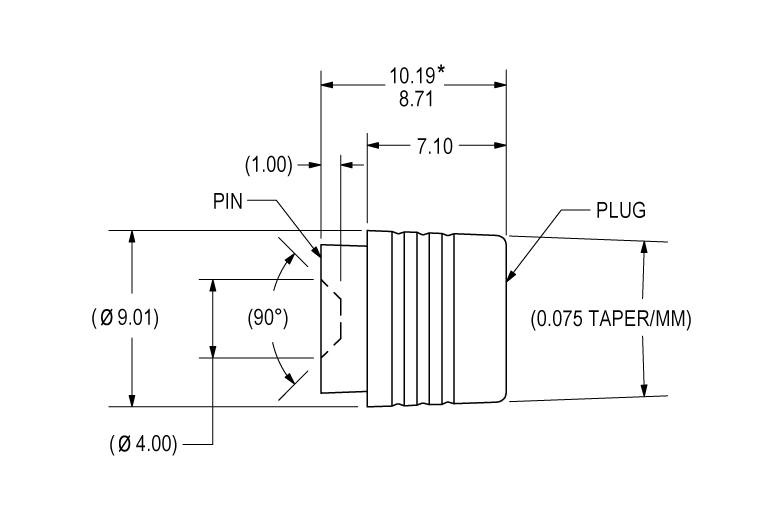
  • Plug Diameter:9.01 mm
  • Max. Sealable Passageway Diameter:8.38 mm
  • Rated Pressure:35 bar
  • Plug Material:Aluminum
  • Housing Material:Aluminum, Cast Iron, Stainless Steel, or Steel

Product Information

General Performance
Characteristic Specification
Rated Pressure* 35 bar
Maximum Sealable Passageway Diameter 8.38 mm
Maximum Temperature Rating 135°C
Typical Installation Force in Aluminun 4.9 kN
Acceptable Housing Materials Aluminum, Cast Iron, Stainless Steel, and Steel
*Pressure rating may be higher depending on specific application requirements. Contact your local Lee Sales Engineer to discuss higher pressure requirements.
Materials
COMPONENT MATERIAL
Pin 6061 Aluminum
Plug 6061 Aluminum
Dimensional View
Installation Hole Details

Part Numbers & Specifications

This table below contains the part numbers and technical specifications for this product. If you have specific questions, need a quote, or would like to request a handbook or drawing, click the red request button in the column on the far right.

Part Numbers & Specifications
PART NUMBER WEIGHT INSTALLATION HOLE DRAWING NUMBER Request Information
PLBA0903610S 0.99 g 1INST002753S Request

Installation & Accessories

Replacement Parts & Accessories
PART NUMBER DESCRIPTION
PLBT0090901S 9 mm Short Betaplug Installation Tool
PLBT0900012S 9 mm Short Betaplug Tapered Reamer
PLBT0900014S 9 mm Short Betaplug Tapered Reamer, Rough Finish

CAD Envelopes

Get in touch

Questions?

From plugs to solenoid valves, there’s a vast array of products that The Lee Company can offer. If you’d like to discuss the best solution for your specific application or to learn more about our capabilities, use-cases, or quality standards, contact your local Lee sales engineer.