Close Menu
Additional Products

Dual Insert Adapter

This Dual Insert Adapter makes using two Lee inserts of the same diameter, in the same hole easy and reliable. Whether it is the same part, such as two check valves in series providing redundancy against leakage or two different product types, such as a restrictor and check valve providing unidirectional metered flow, Dual Insert Adapters provide a seamless integration.

Key Product Facts
  • Diameters:0.187 - 0.500
  • Material:440C Stainless Steel

Product Information

General Performance
ADAPTER SIZE MAY BE USED WITH NON-SCREENED PART NUMBERS WITH THE FOLLOWING PREFIXES EXTRACTION TOOL
DIAA1871001A 0.187 CKFA, CKRA, CSFA, CSRA,PRFA, PRRA, PSFA, PSRA CUTA1871009C
DIAA2501001A 0.25 CKFA, CKRA, CSFA, CSRA CUTA2501206C
DIAA3751001A 0.375 CKFA, CKRA, CSFA, CSRA, PRFA, PRAA CUTA3751006C
DIAA5001001A 0.5 CKFA, CKRA, CSFA, CSRA, PRFA, PRRA CUTA5001116B
Materials
PART MATERIAL SPECIFICATION
Body 440C/AMS 5630 AMS 5639
Passivate per AMS 2700
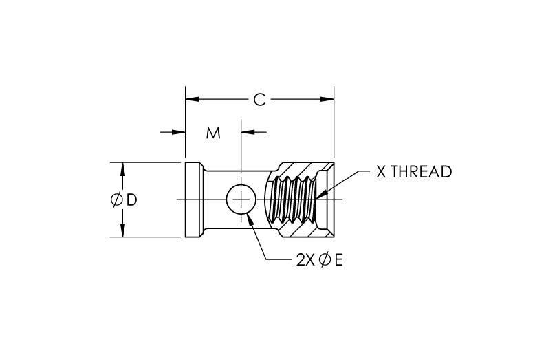
Dimensional View
Installation Hole Details

Part Numbers & Specifications

This table below contains the part numbers and technical specifications for this product. If you have specific questions, need a quote, or would like to request a handbook or drawing, click the red request button in the column on the far right.

Image Specifications
Part Numbers & Specifications
PART NUMBER D MAX. D MIN. M E C X Request Information
DIAA1871001A 0.1874 0.1867 0.37 0.073 0.139 0.112-40 UNC-2B Request
DIAA2501001A 0.2499 0.2492 0.45 0.09 0.2 0.164-36 UNF-2B Request
DIAA3751001A 0.3749 0.3742 0.43 0.125 0.155 0.250-32 UNEF-2B Request
DIAA5001001A 0.4999 0.4992 0.48 0.173 0.178 0.375-24 UNF-2B Request
All dimensions are in inches. This information is for reference only.

Installation & Accessories

Replacement Parts & Accessories
PART NUMBER DESCRIPTION
CUTA1871009C Extraction Tool for DIAA1871001A
CUTA2501206C Extraction Tool for DIAA2501001A
CUTA3751006C Extraction Tool for DIAA3751001A
CUTA5001116B Extraction Tool for DIAA5001001A
Get in touch

Questions?

From plugs to solenoid valves, there’s a vast array of products that The Lee Company can offer. If you’d like to discuss the best solution for your specific application or to learn more about our capabilities, use-cases, or quality standards, contact your local Lee sales engineer.