Close Menu
Safety Screen Filters

Etched Safety Screen Filter, 656 Flange Mount, 17-7PH

This etched last chance filter features a seamless, one-piece screen element formed with pleats to greatly increase contamination carrying capacity. The result is a robust screen design with an optimum amount of protection in a small package. It is offered with several standard hole size options ranging from 100 to 500 microns. This filter is constructed from high strength, 17-7 PH stainless steel and incorporates a simple flange mounting configuration 0.130 inches in diameter, resulting in an economical, high strength design.

Key Product Facts
  • Mounting Configuration:Flange Mount
  • Lohm Rate:8 Lohms
  • Micron Rating:100 to 500 microns
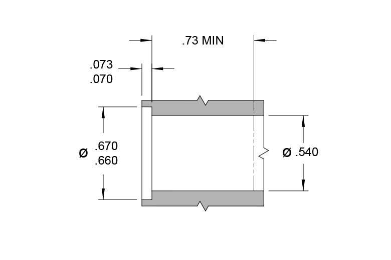
  • Part Diameter:0.656 inches
  • Screenable Passageway Diameter:0.540 inches

Product Information

Materials
PART MATERIAL SPECIFICATION
Screen 17-7PH CRES AMS 5529
Base Washer 17-7PH CRES AMS 5529 or AMS 5644
Braze Gold Alloy AMS 4786
Finish: All CRES Parts Passivated
Flow Curve
Dimensional View
Installation Hole Details

Part Numbers & Specifications

This table below contains the part numbers and technical specifications for this product. If you have specific questions, need a quote, or would like to request a handbook or drawing, click the red request button in the column on the far right.

Part Numbers & Specifications
PART NUMBER LOHM RATE (nominal) MINIMUM BURST PRESSURE (psid) MINIMUM COLLAPSE PRESSURE (psid) ROB NUMBER NOMINAL SCREEN HOLE SIZE (in) NOMINAL SCREEN HOLE SIZE (μm) SCREEN OPEN AREA (in2) TOTAL SCREEN AREA (in2) NUMBER OF HOLES Request Information
FSJA6560047A 8 1250 100 43 0.004 100 0.51 1.7 39,630 Request
FSJA6560067A 8 1750 165 97 0.006 150 0.54 1.7 13,700 Request
FSJA6560087A 8 2250 450 138 0.008 200 0.41 1.7 8600 Request
FSJA6560107A 8 1300 250 301 0.01 250 0.53 1.7 6710 Request
FSJA6560157A 8 1750 350 1164 0.015 380 0.71 1.7 4000 Request
FSJA6560207A 8 1200 250 2447 0.02 500 0.65 1.7 2060 Request
Get in touch

Questions?

From plugs to solenoid valves, there’s a vast array of products that The Lee Company can offer. If you’d like to discuss the best solution for your specific application or to learn more about our capabilities, use-cases, or quality standards, contact your local Lee sales engineer.