Close Menu
Safety Screen Filters

HI-BAR® Safety Screen Filter, 495 Flange Mount, 17-4PH

Individually laser drilled and deburred by proprietary manufacturing processes, this last chance filter features an extremely robust, one-piece design without joints or seams. Machined entirely from 17-4PH stainless steel resulting in a high strength screen that can withstand burst and collapse pressures up to 7500 psid. This filter is available in a wide range of standard hole size options from 25 to 500 microns and incorporates a simple, economical flange mounting configuration.

Key Product Facts
  • Mounting Configuration:Flange Mount
  • Lohm Rate:20 to 35 Lohms
  • Micron Rating:25 to 500 microns
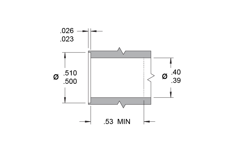
  • Part Diameter:0.495 inches
  • Screenable Passageway Diameter:0.40 inches

Product Information

Materials
PART MATERIAL SPECIFICATION FINISH
Screen 17-4PH CRES AMS 5604 or AMS 5643 Passivate
Flow Curve
Dimensional View
Installation Hole Details

Part Numbers & Specifications

This table below contains the part numbers and technical specifications for this product. If you have specific questions, need a quote, or would like to request a handbook or drawing, click the red request button in the column on the far right.

Part Numbers & Specifications
PART NUMBER LOHM RATE (nominal) MINIMUM BURST/COLLAPSE PRESSURE (psid) ROB NUMBER NOMINAL SCREEN HOLE SIZE (in) NOMINAL SCREEN HOLE SIZE (μm) SCREEN OPEN AREA (in2) TOTAL SCREEN AREA (in2) NUMBER OF HOLES Request Information
FSHF4950002A 35 6500 0.3 0.001 25 0.02 0.32 26,000 Request
FSHF4950005A 25 7500 1 0.002 50 0.03 0.32 10,200 Request
FSHF4950007A 25 7500 2.1 0.003 75 0.04 0.32 5660 Request
FSHF4950010A 20 7500 5.1 0.004 100 0.06 0.32 4775 Request
FSHF4950015A 20 7500 11 0.006 150 0.06 0.32 2120 Request
FSHF4950020A 20 7500 20 0.008 200 0.06 0.32 1190 Request
FSHF4950025A 20 7500 34 0.01 250 0.06 0.32 765 Request
FSHF4950040A 20 7500 115 0.015 380 0.07 0.32 395 Request
FSHF4950050A 20 7500 268 0.02 500 0.07 0.32 225 Request
Get in touch

Questions?

From plugs to solenoid valves, there’s a vast array of products that The Lee Company can offer. If you’d like to discuss the best solution for your specific application or to learn more about our capabilities, use-cases, or quality standards, contact your local Lee sales engineer.